☰
Login
Join
×
Home
Answered Questions
Repair Topics
Repair & Service Guides
Popular Questions
Warning Lights
Trouble Codes
How It Works
Testing / Diagnostics
Symptoms
Videos
Login
Become a Member
Home
Cadillac
CT6
Body
Windshield
Windshield sprayer does not turn off
2006 CADILLAC CT6
150,000 MILES
TOMTRADER
MEMBER
1 POST
FOLLOW
Wipers work but sprayer want turn off.
Sep 22, 2020 at 12:44 PM
Advertisement
ASEMASTER6371
CERTIFIED EXPERT
52,796 POSTS
Good afternoon,
The washer control module is the most common failure for this.
https://www.2carpros.com/articles/how-to-replace-a-windshield-washer-pump
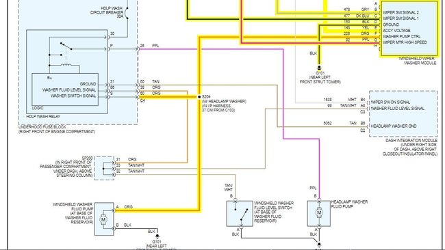
I attached the wiring diagram for you as well as the location of the module.
Let me know when you have a test light or voltmeter so we can do some testing.
https://www.2carpros.com/articles/how-to-check-wiring
Roy
Images (Click to enlarge)
Sep 22, 2020 at 2:47 PM