Thursday, September 26th, 2024 AT 11:18 AM
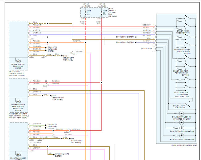
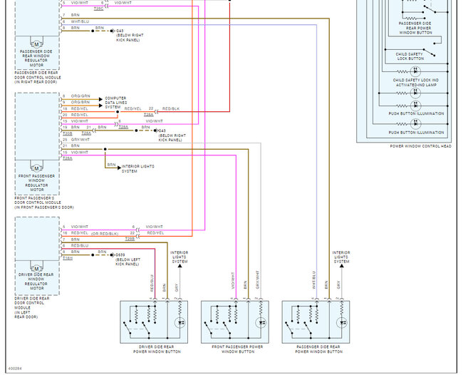
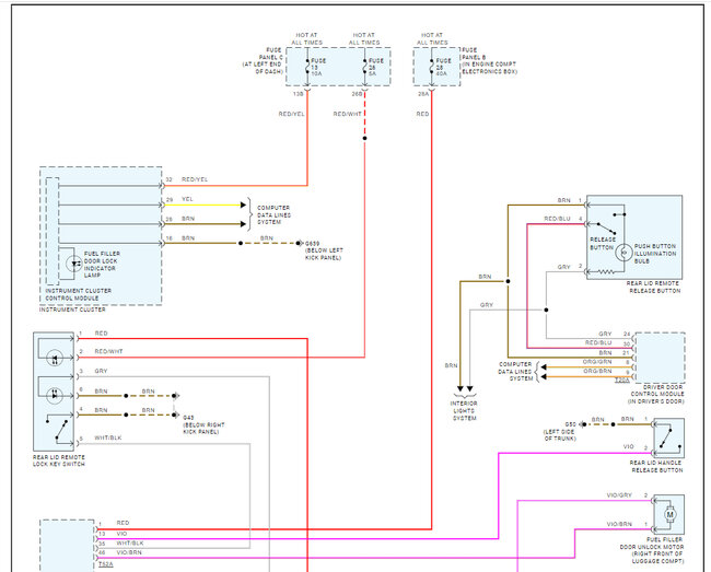
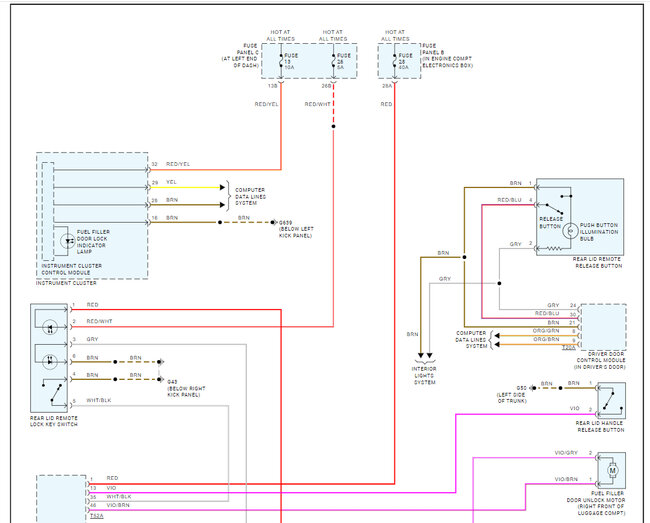
I need to know what would pull for my windows and trunk. The windows roll down on their own and the trunk opens on its own while driving. The window controls on the driver's side door are acting on their own as well as the passenger door. There is a switch to open the trunk on the driver's side door so I'm sure all of these are tied together somehow. What I can't find is what to do to pull to stop this from happening before I can get a mechanic to work on it. I'm assuming the problem is a relay or shared control module for the doors but I can't find a schematic to help me.

















