Sunday, June 2nd, 2024 AT 1:52 PM
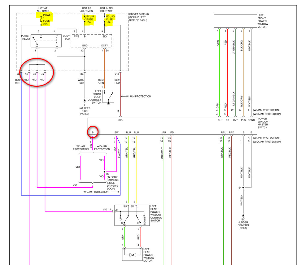
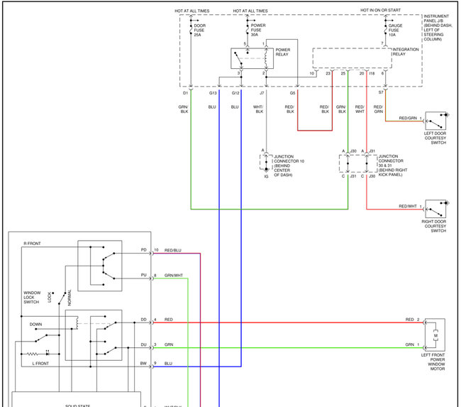
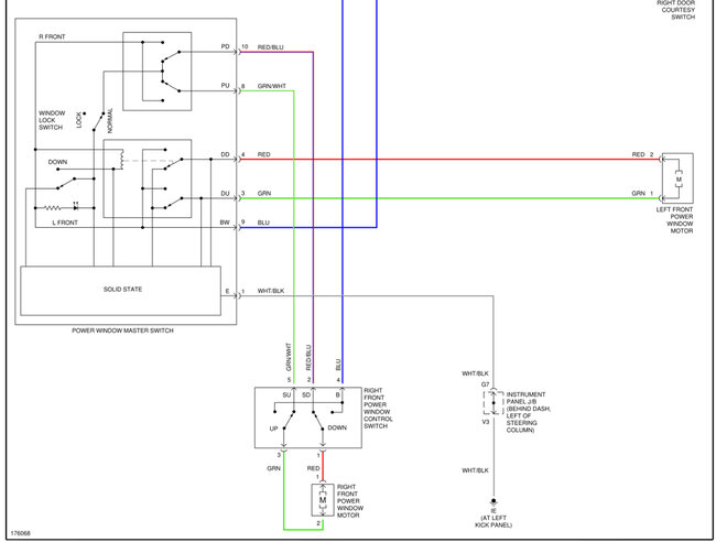
I checked the power and ground on the switch and found a ground a one of the wires had power as well, but the switch was not doing anything. Lock/unlock works. I can hear the contact clicking when I try to open the driver window, but neither window open. Trying from passenger also does not work. I dont hear any relay clicking anywhere. Checked all fuses since I didn't know where the fuse is and all were good.










