Saturday, October 30th, 2021 AT 12:29 AM
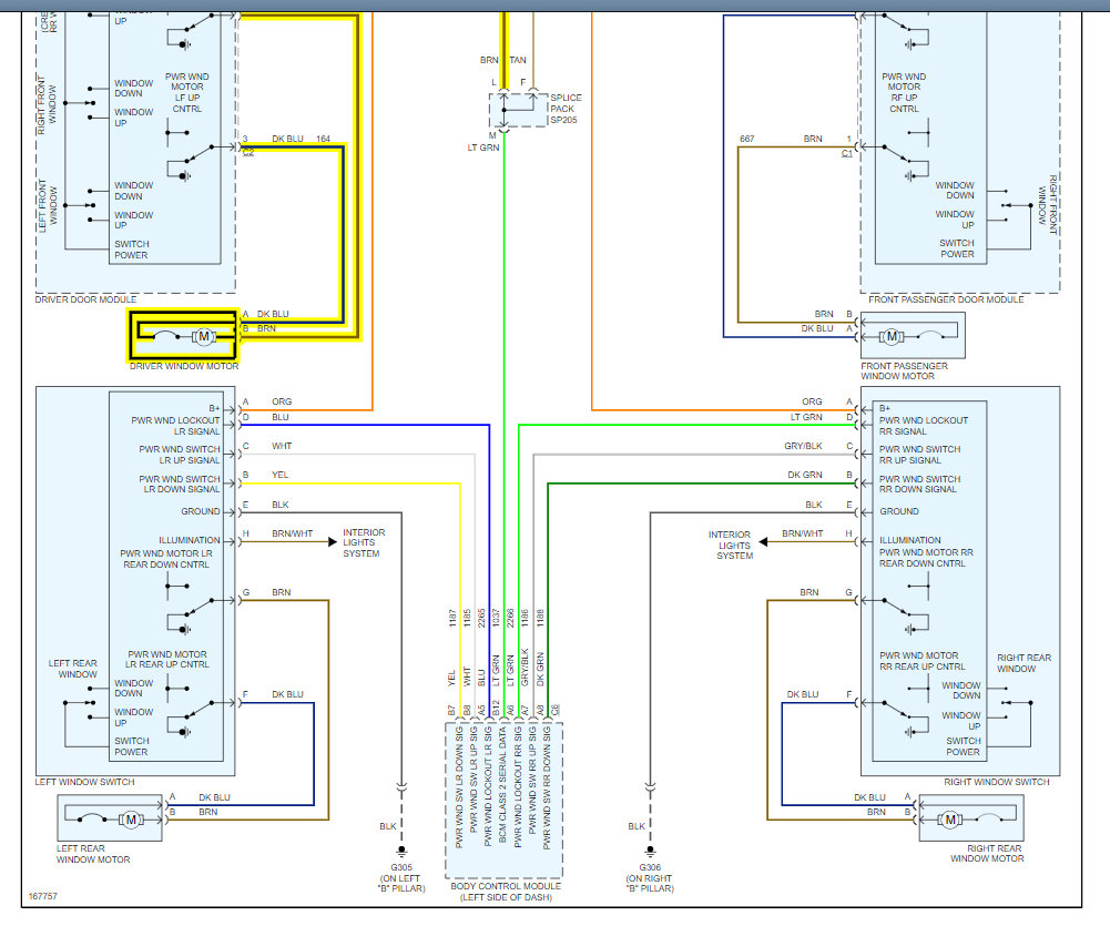
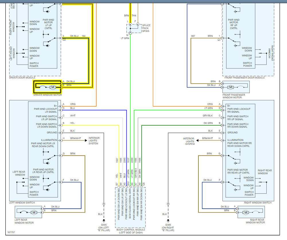
Window on drivers' side will not work, I have replaced it two times still won't go up! I need wiring diagram and info on which color each wire represents.



