Monday, October 7th, 2024 AT 11:46 AM
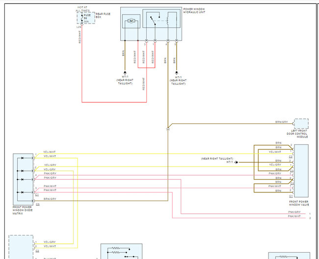
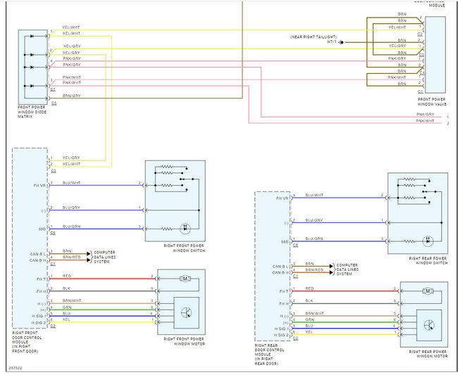
I would like to know the wiring diagram for the passenger side window switch. I'm trying to test it to see if it's just a switch that has failed because the motor works the regulator is fine, the fuses are good and so are the relays. Thank you






