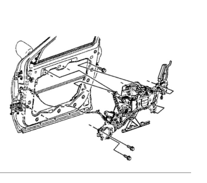
The window was going up lopsided and I removed the door panels. When I looked inside the door I found the guide clips and two black square plastic. I want to know how to replace in the proper sequence.
Apr 27, 2018 at 5:45 PM





