Monday, June 13th, 2022 AT 7:28 PM
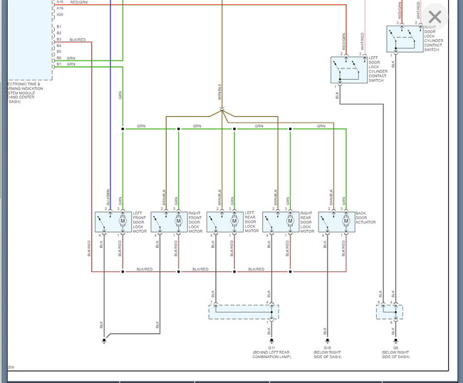
When I pull up/push down on the driver side door lock knob, it should lock/unlock the other doors (according to the manual). However, mine does not. I've already tested the ETWIS and both the front door key cylinder connectors.



