Saturday, March 8th, 2025 AT 4:25 PM
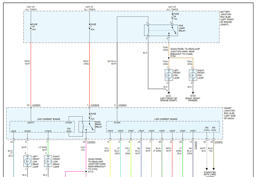
I have a short in my headlight wiring that causes the lights to flash and flicker when the car is off. I don't have time to repair a the moment so what fuse and where is it located to stop power to the lights when not in car? Thanks










