Sunday, April 28th, 2019 AT 4:45 PM
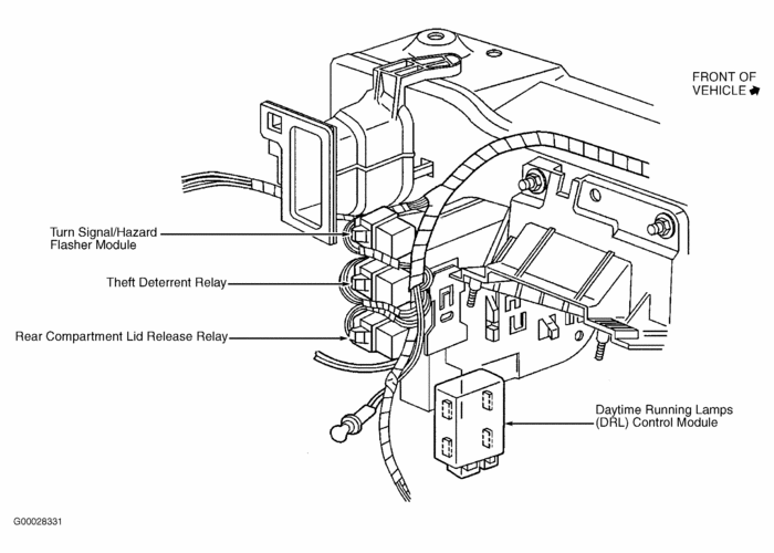
Left turn signal light bulb comes on but wont flash, left emergency flasher light wont flash, left turn signal switch inside car light flashes fast. Replaced bulbs and fuse but lights on left side still wont flash. I think it is the turn signal relay, but I can't locate it or find a diagram of it on line. I don't know where it is located at to replace relay.








