Saturday, March 20th, 2021 AT 5:12 PM
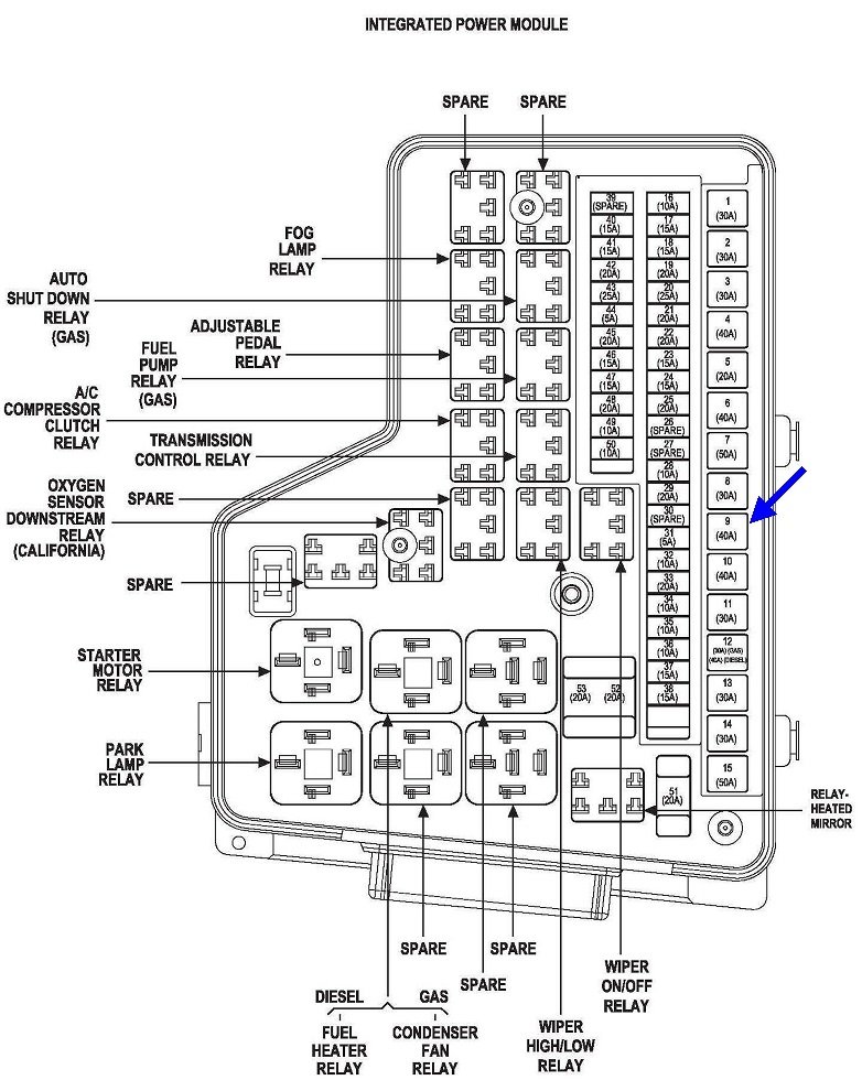
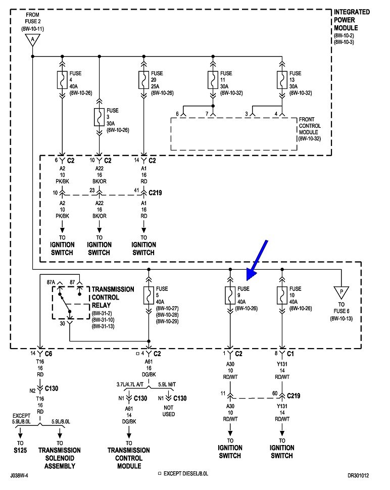
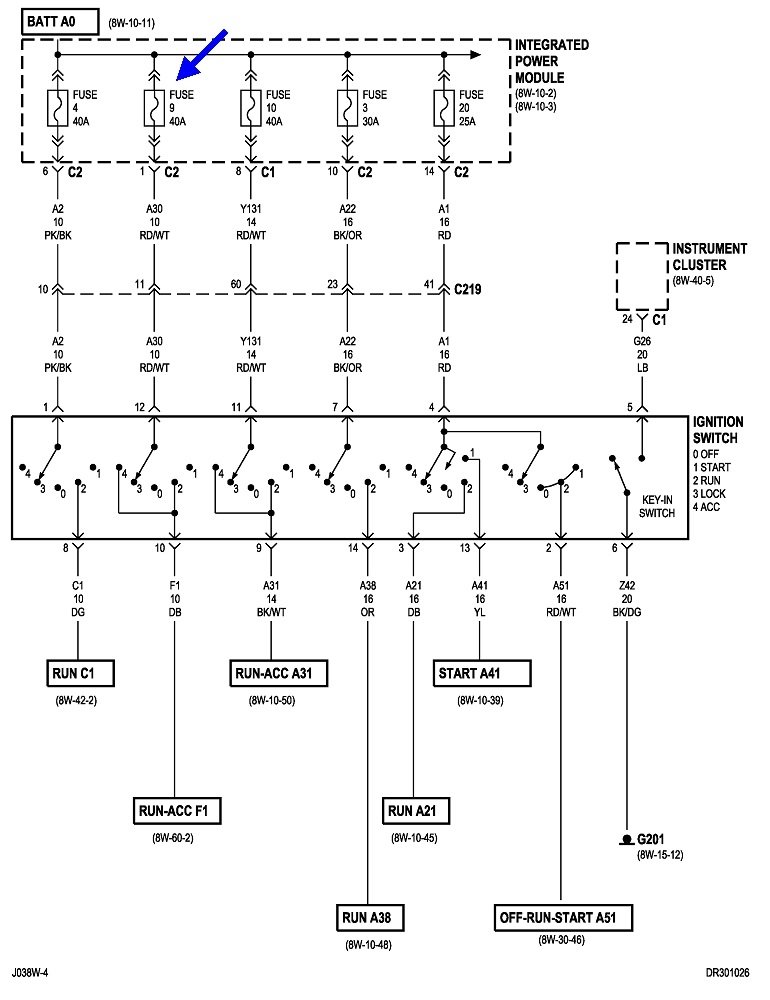
Transmission is in limp mode. Stuck in either second or third gear. No gear position indicated unless its in park. The battery also has a current draw and drains the battery unless you pull the fuse out of position number 9.








