This car as an ABS braking system, which was operation before both line broke.
That said, the two lines running to the rear wheels rotten and I replaced then, resulting in having soft peddle now, when the car is running and hard when engine is off, there are no leaks from all lines at the 4 wheels, no leak in the rear wheel cylinders, nothing at the two front calipers and nothing at the the abs modular and at the master cylinder.
I did bleed all wheel brake cylinders and calipers more than once, and got a nice strong squirt from all, while watching my master cylinder reservoir from going too low as I tapping up with brake fluid as I went along.
After all this (bleeding) there is still a soft pedal, with engine on, and hard when the engine is off.
I went and examine the ABS hydraulic modular, remove the connector going to the motor, tested it for voltage found none! Here I am just curious as I am thinking that when I press on the brake peddle I should be getting some type of sound, if the ABS system is being engage.
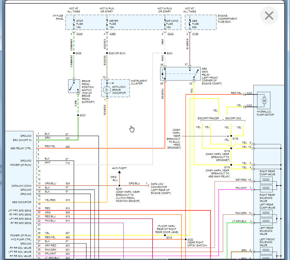
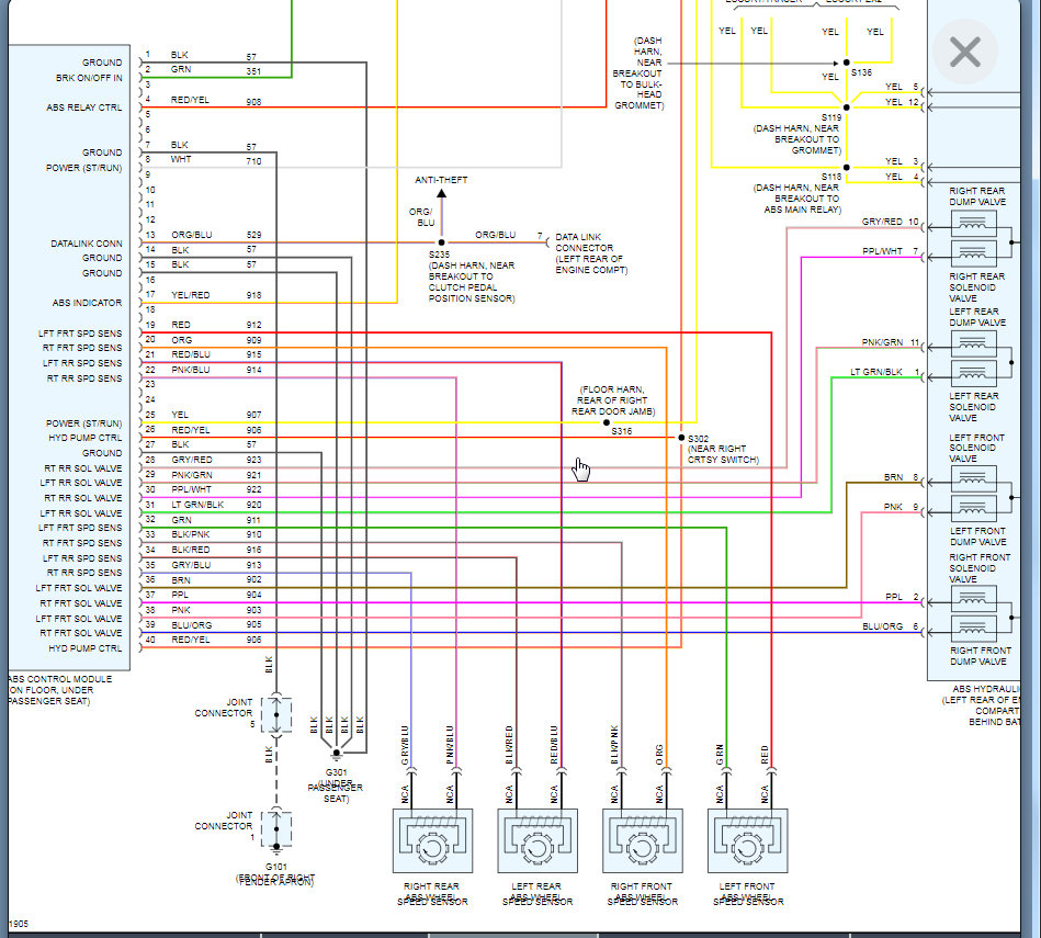
Question can I get some help? And can I get the electrical diagram for the ABS circuit? And where is the ABS control module located on these cars?
Thank you in advance.
Monday, May 17th, 2021 AT 12:24 PM







