Friday, July 25th, 2014 AT 9:48 AM
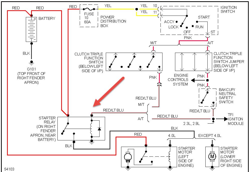
I replaced the solenoid but that didn't help. Fir the past few days I have had to arch the solenoid to get it to start. All the fuses are in tact. To get the power back on to the truck I have to pull both the positive and negative of fir a few seconds. The battery light is on. Please help





