Wednesday, June 3rd, 2020 AT 6:39 AM
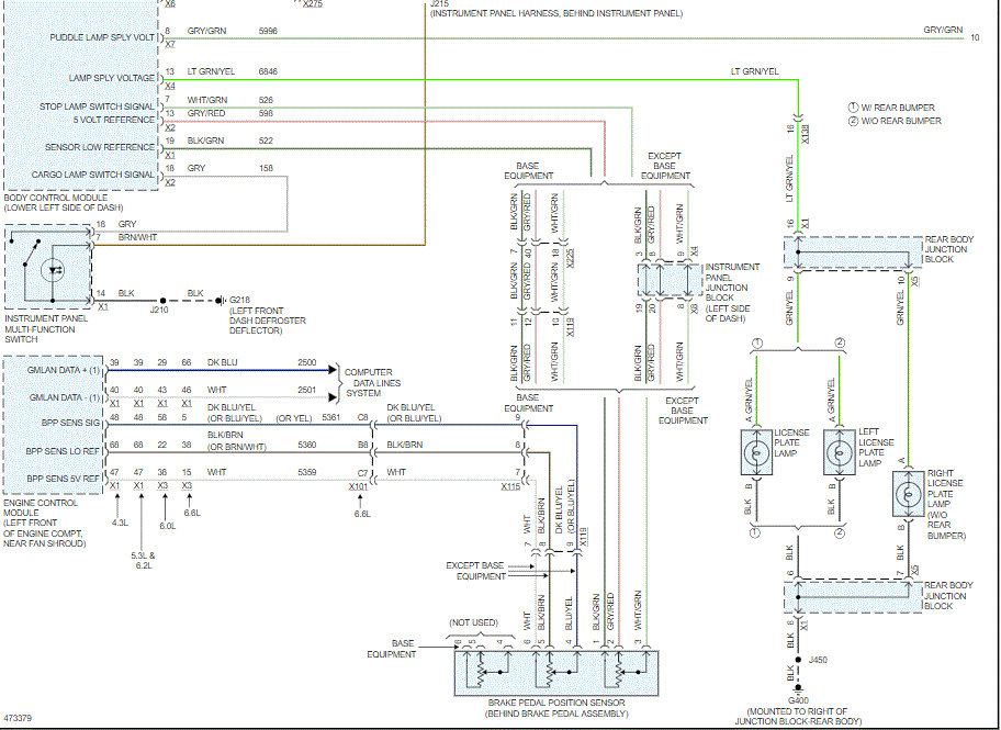
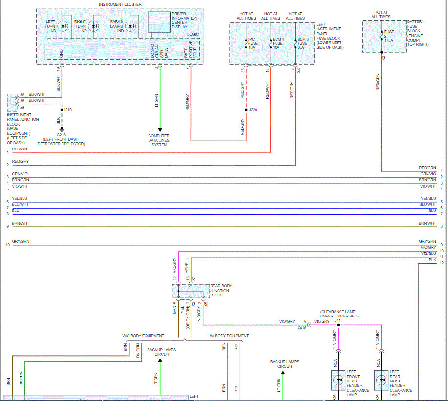
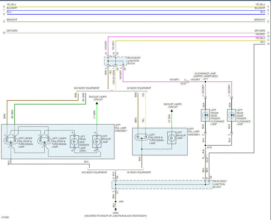
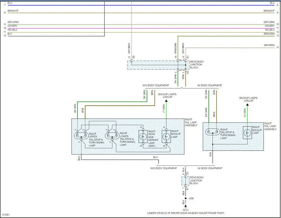
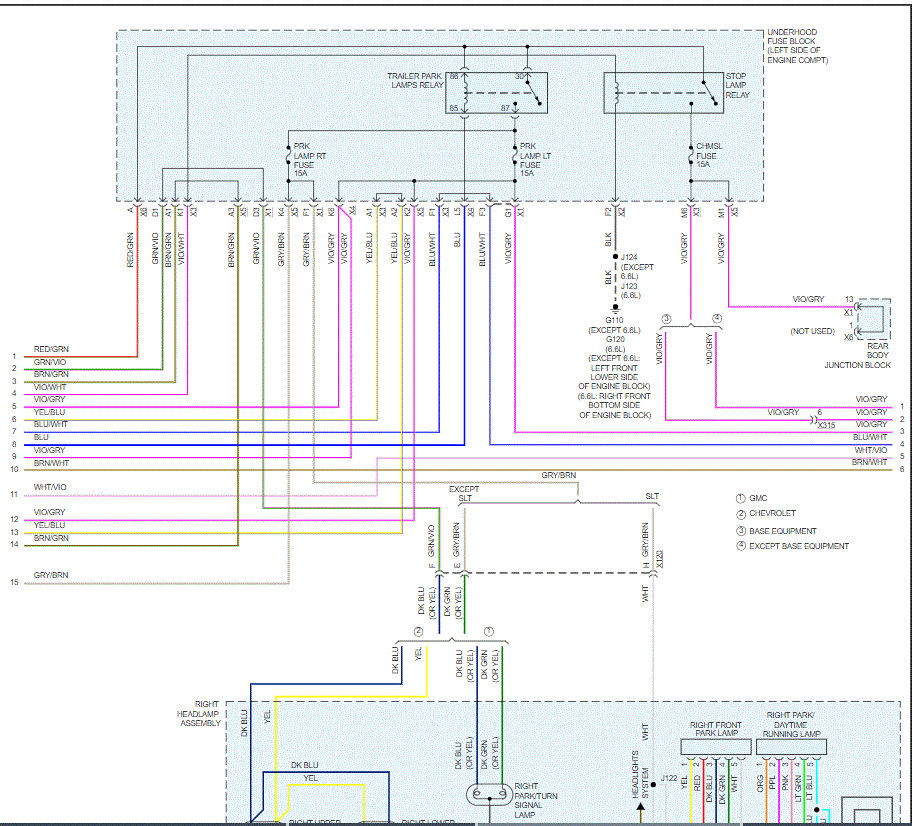
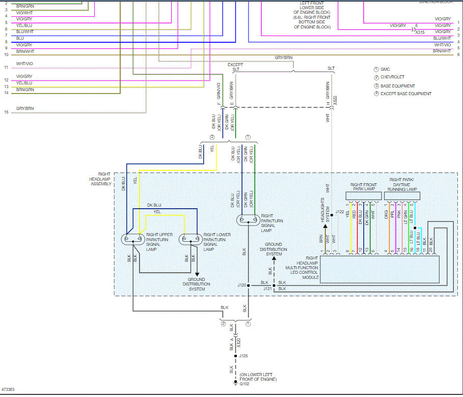
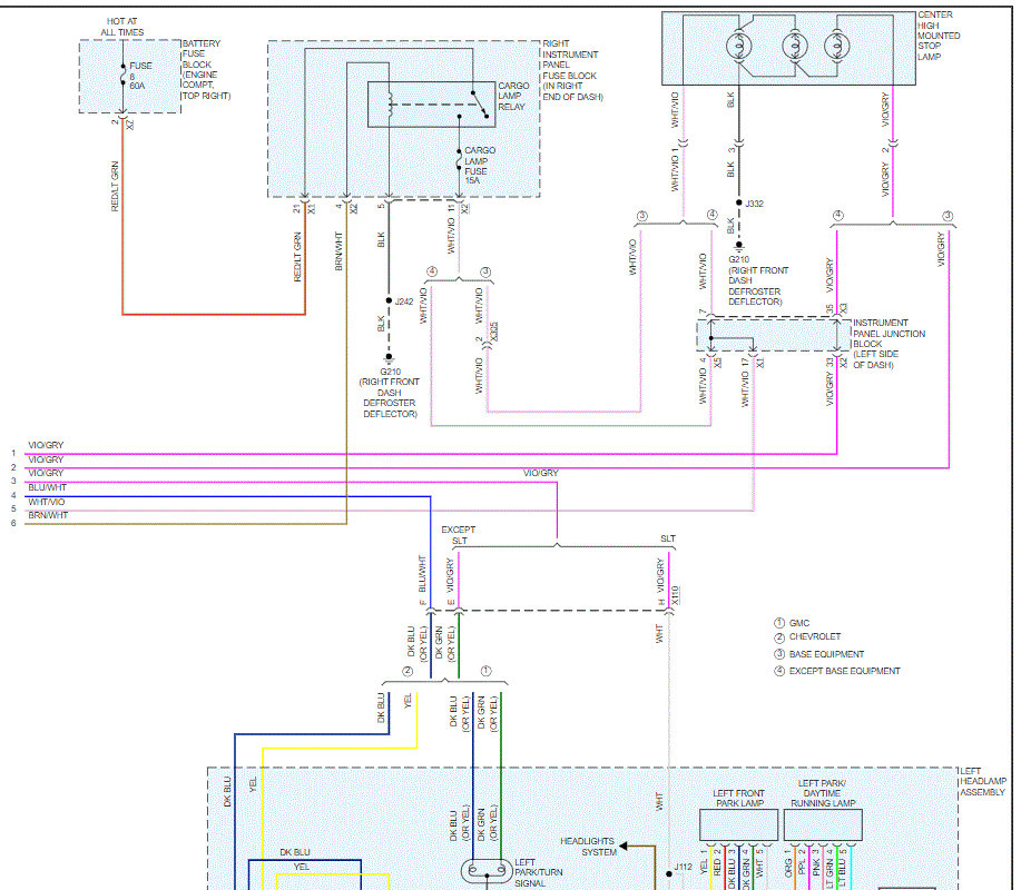
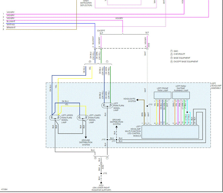
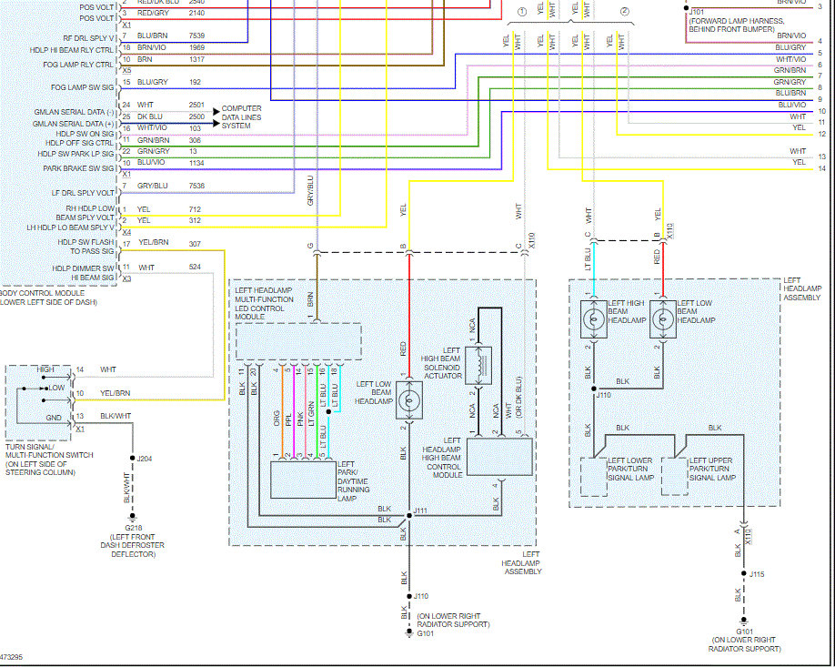
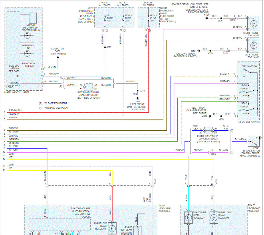
I have the truck listed above Denali 3500hd Duramax. When I bought the pickup someone had already put emergency flashers in it. They removed the stock turn signal bulbs and harness to install the LED flashers(cannon 1000's). The LED turn signals only work if the parking lights or headlights are on. The turn signals are always hyper flashing. I was wanting to either replace my headlights or rebuild the harness and take it back to stock or install a good after market unit. The headlight harness has 7 pins used and 1 not used. The headlight has LED DRL and looks to be projection. I am also trying to locate the turn/flasher relay. Thinking maybe I could replace it with an LED relay to eliminate the hyper flash until I get the headlights fixed/replaced. Does anyone know what kind of headlights I have? Apparently there were three different styles in 15' halogen, HID and LED? Where is the turn/flasher relay located and do they make a LED friendly replacement?
















