Tuesday, January 28th, 2020 AT 12:51 PM
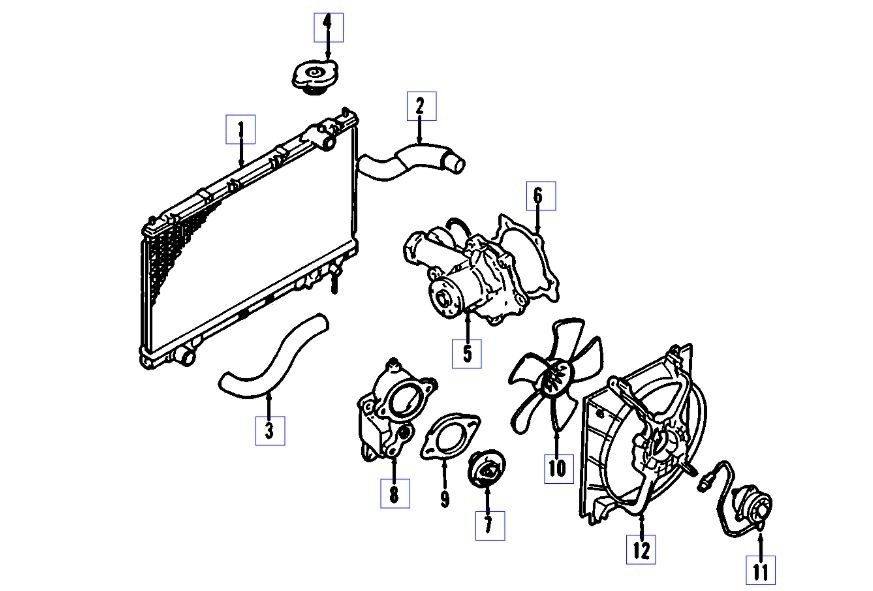
I have the car listed above it's leaking coolant in front of the engine on the driver's side. It doesn't leak when car is off only when it runs for a bit then it starts dripping. It's in front underneath where the shroud is at. Can this be a hose and it's running down and leaking in front? Can you please help?



