Sunday, March 8th, 2009 AT 12:58 AM
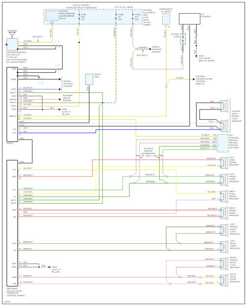
Hello, I have spent two hours online looking for a wiring diagram for a 98 volvo s70, so that I can install my New Stereo. Thought I had the right one but all the colors were wrong, Need to know Speakers + and -, battery 12v, and 12v dc, also ACC, ILL, and thats all, Thank you.







