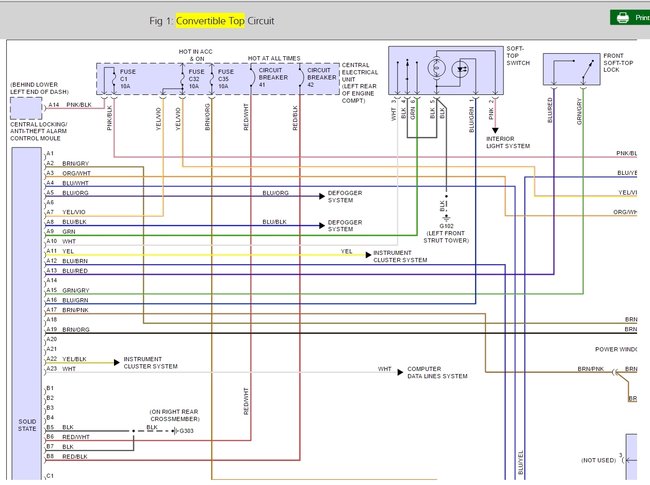
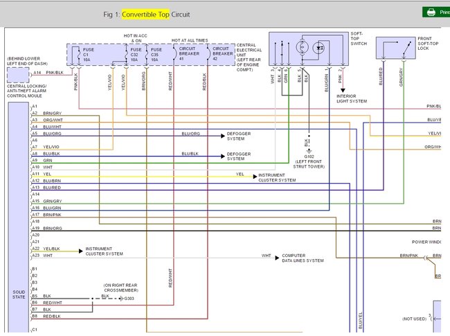
I was lowering the convertible top and it got about 1/2 way through the progress and stopped. I had to drive several miles with the top partially open. I'm thinking it blew a fuse. Anyone know where the fuse location would be for the convertible top? Owners manual explains a total of 36 fuses. The convertible top fuses are slots 41 and 42. Owners manual doesn't cover anything past sot 36. Any ideas?
Thanks so much!
Sunday, August 15th, 2010 AT 5:36 PM


