Thursday, June 12th, 2008 AT 12:53 AM
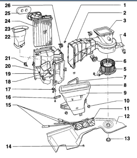
There is coolant leaking behind the firewall. I have concluded that it must be the heater core. Is this correct? If not, what else could be causing this?







