Tuesday, November 5th, 2024 AT 5:59 AM
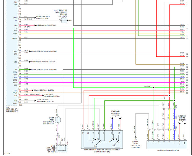
This vehicle cannot start when cranked, I diagnose and pick the above codes. U0100- loss communication with ECM/PCM a, u0101-loss communication with TCM. So, I need ECM pinout diagram, ECM communication diagram from dlc to ECM, component location diagram, fuse box diagram and power diagram to trace this fault.






















