Monday, December 19th, 2022 AT 4:04 AM
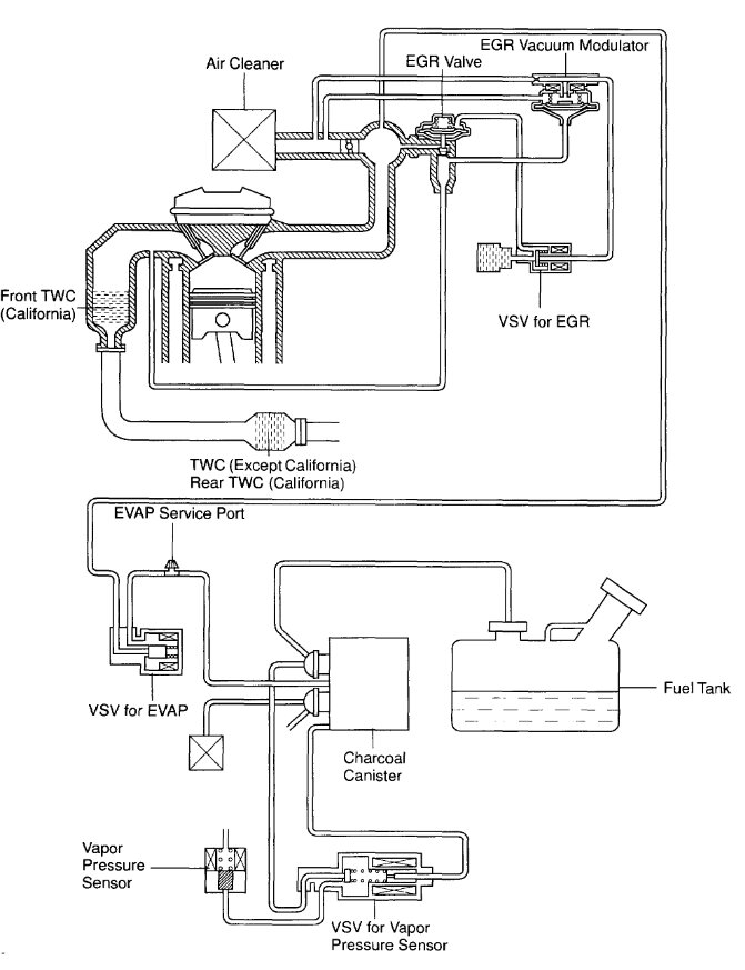
Replaced my head gasket and forgot to mark the hoses. I'm not sure what hose connects to what. That's including throttle body, intake manifold, EGR valve, EGR valve modulator, Air intake. On a 2.2L 5fse engine.



