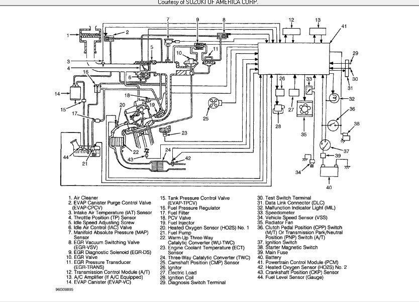
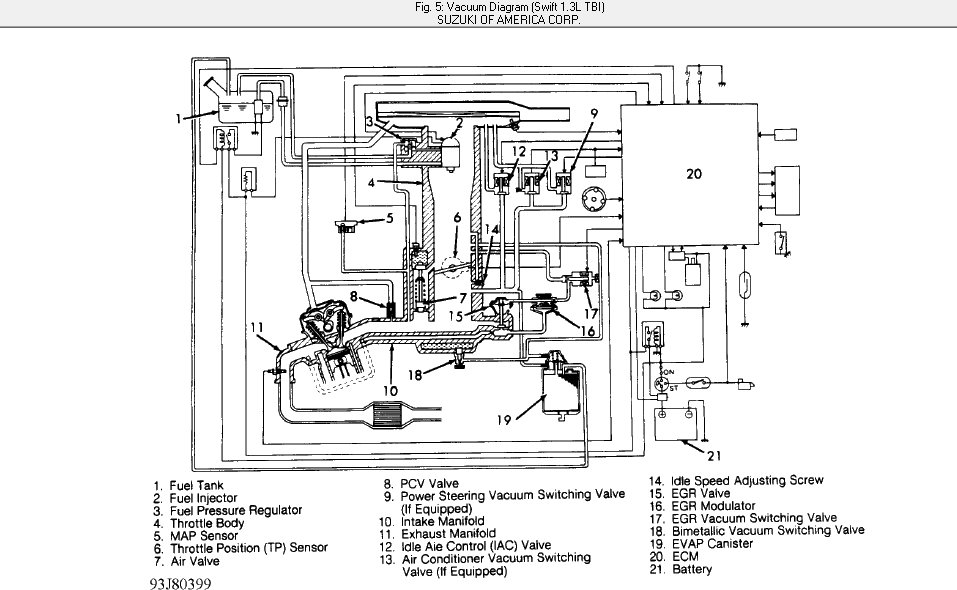
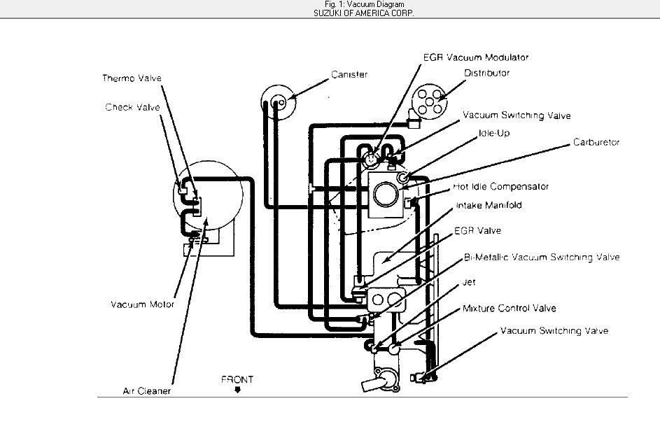
When I received my car from service station, I noticed couple of vacuum hose were swapped and the one connecting between carburetor and distributor (for vacuum advancer) is missing. I didn't get any solution from them. I need the factory default hose connection details.
Thanks,
SKM.
Monday, January 25th, 2021 AT 8:35 AM


