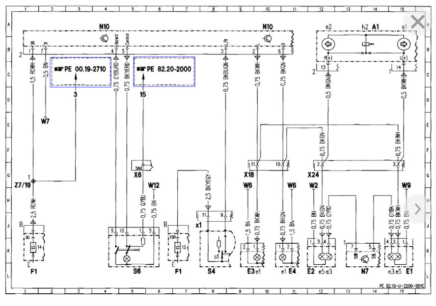
so, I just had my turn signal switch replaced because it was jammed and my headlights would not turn on. before being replaced the turn signals worked now that the switch has been replaced my headlights work, but now the turn signals wont work, my hazards work fine. but i get nothing when trying to use the turn signals. I have replaced the fuse thinking that was the problem but unfortunately it didn't help. any suggestions?
Feb 6, 2021 at 5:56 PM


