Saturday, July 13th, 2024 AT 12:52 PM
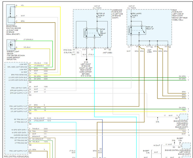
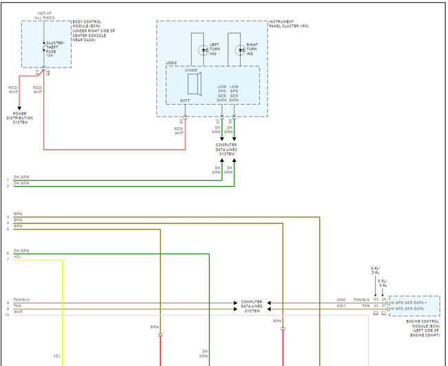
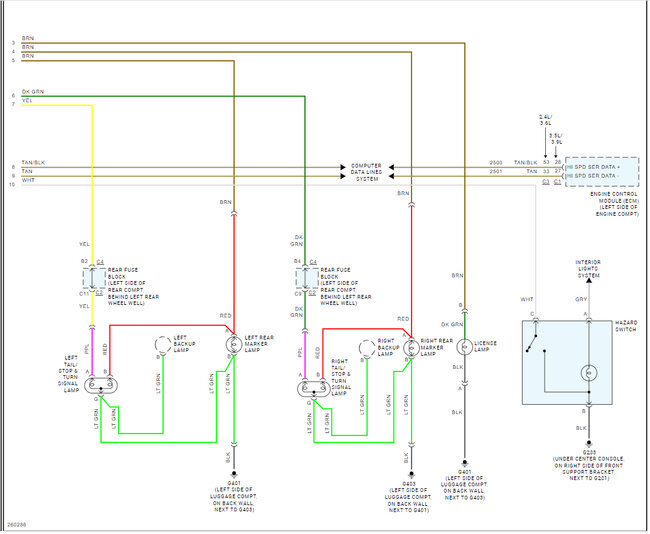
The 4 wires (yellow, brown, orange, and red) pulled out from the connection which has 1, 2, 3 and 4 on it. What color goes to what number connection?






