Tuesday, June 9th, 2020 AT 9:10 PM
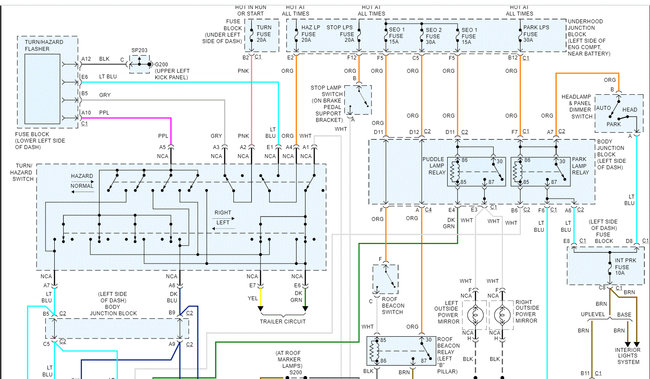
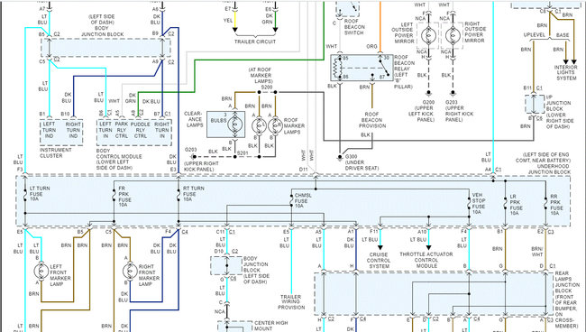
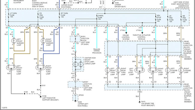
Right front turn signal keep blowing the fuse, left front all ran the same way and does not. Changed out turn signal switch due to loose wiring and fixed the issue for a moment, and changed turn signal wiring harness. Changed flasher/turn signal relay prior. Have LED's so went from 10 to 15 amp fuse, again, worked for a moment then cut off. Either looking for a legit wiring diagram to trace ground to fuse box if can’t find any other way to resolve.



