Turn signal and hazard lights does not work at all but all the other lights work

2002 SATURN L200
195,186 MILES • 2.1L • 4 CYL • 2WD • AUTOMATIC
Avatar
TMCX4
  • MEMBER
  • 1 POST
Turn signals and hazard lights doesn't work at all when I turn it on the signal it makes a tick tick noise just two times and nothing out to that all the other lights work fine
Nov 25, 2025 at 3:21 PM
Repair Safety Notice: This information is for general instructional purposes only. Vehicle repair can be dangerous. Verify all information, follow manufacturer service procedures, use proper tools and safety equipment, and consult a qualified repair shop when needed.
Advertisement
Avatar
AL514
  • CAR REPAIR CONTRIBUTOR
  • 5,484 POSTS
Hello, just taking a quick look at the wiring diagram for the Turn Signals and Hazards, both circuits run through the Hazard Switch which has a build in logic circuit that controls the lamp flashing. Ill post the wiring diagrams which show 2 fuses you can check as well. But it sounds like you have a bad Hazard Switch, if all the other exterior lamps work ok. Give me a minute and ill post the diagrams for the switch.
Nov 25, 2025 at 4:21 PM
Advertisement
Avatar
AL514
  • CAR REPAIR CONTRIBUTOR
  • 5,484 POSTS
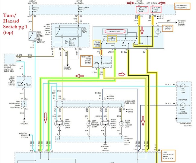
Diagrams 1,2 (top, bottom) show power for the Turn signals runs through the Hazard Switch, so that explains why the Turn signals are not working. There is a logic chip internal to the Hazard Switch which controls the Turn Signal flashing.
The 3rd diagram is just a zoomed in diagram.
4,5,6 are the oem wiring diagrams which show the same wire colors and circuit design, but check the fuses first (HAZARD 15Amp & B/TURN Fuse 10Amp) for power with the key On.
Next I would go right to the Hazard Switch and check for power coming in and power going out when On.

https://www.2carpros.com/articles/how-to-use-a-test-light-circuit-tester

https://www.2carpros.com/articles/how-to-check-a-car-fuse
Nov 25, 2025 at 5:35 PM