Trouble code PO480

2005 CHEVROLET COBALT
95,000 MILES • 2.2L • 4 CYL
Avatar
CPERRY54
  • MEMBER
  • 35 POSTS
Engine light shows trouble p0480. by the way how many relays are on my car for the cooling fan? Thanks
Dec 9, 2019 at 6:45 AM
Repair Safety Notice: This information is for general instructional purposes only. Vehicle repair can be dangerous. Verify all information, follow manufacturer service procedures, use proper tools and safety equipment, and consult a qualified repair shop when needed.
Advertisement
Avatar
KASEKENNY
  • AUTOMOTIVE REPAIR CONTRIBUTOR
  • 18,907 POSTS
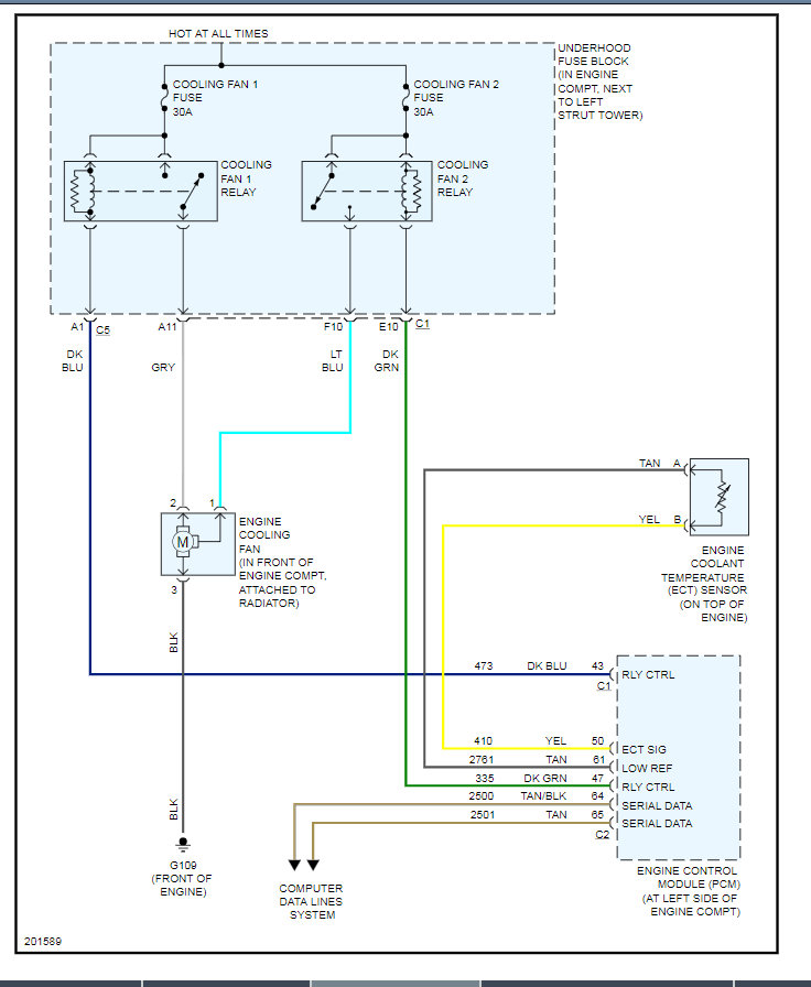
I attached the test for this code so you can run through it and let me know what you find. I attached the wiring diagram. You have two fan relays. Let me know what questions you have if any. Thanks
Dec 9, 2019 at 7:33 PM
Advertisement