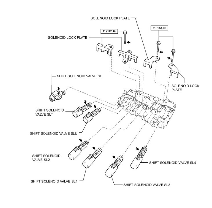
I am requesting instructions on how to remove the solenoid without disassembling the entire valve body if possible. Otherwise, any write-ups that would be available please. On the valve body as well. This is a V6.
Transmission code : U660E
Sunday, October 20th, 2024 AT 9:00 AM



