Monday, January 22nd, 2024 AT 11:56 AM
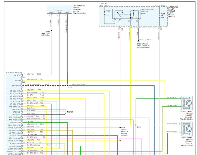
I was having an issue with the shifting where my truck would get stuck in 4 gear and I was getting the code P0700 and P0734, so I figured the shift solenoid pack was bad. So, I replaced the filters, the solenoid pack and the transmission fluid. The truck was driving fine and shifting good, till I was about back home after 20 minutes of driving, then it stopped shifting into 4th and then 3rd, and now I have the codes P0700/P0733/P0734 for incorrect gear ratio for 3rd and 4th gear, I’ve reset the TCM by disconnect the battery for an hour and having the positive and negative cable touching so that it all drains completely. Still having the same issue, I’m thinking I got a bad solenoid pack.

















