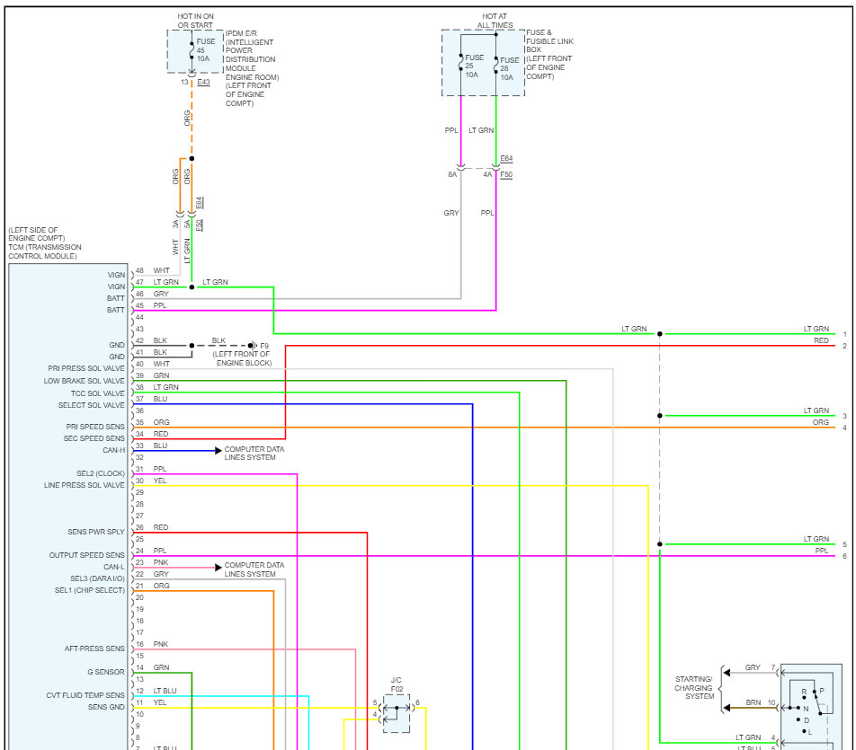
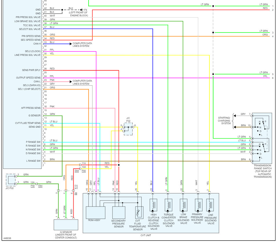
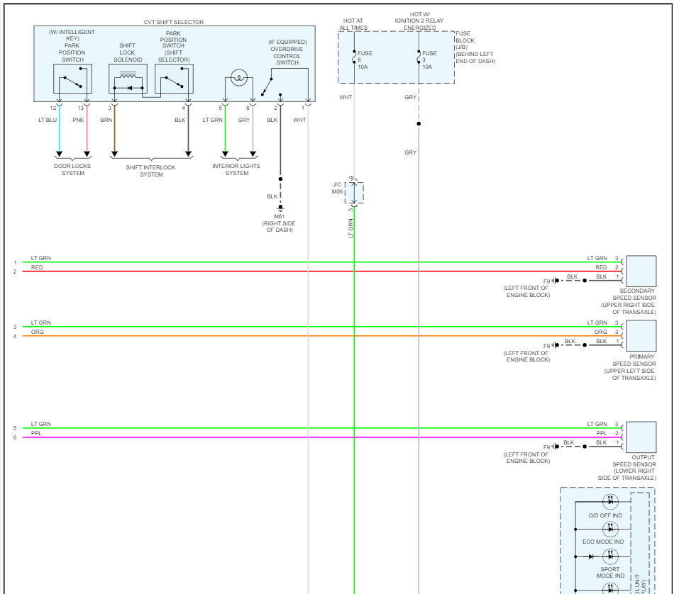
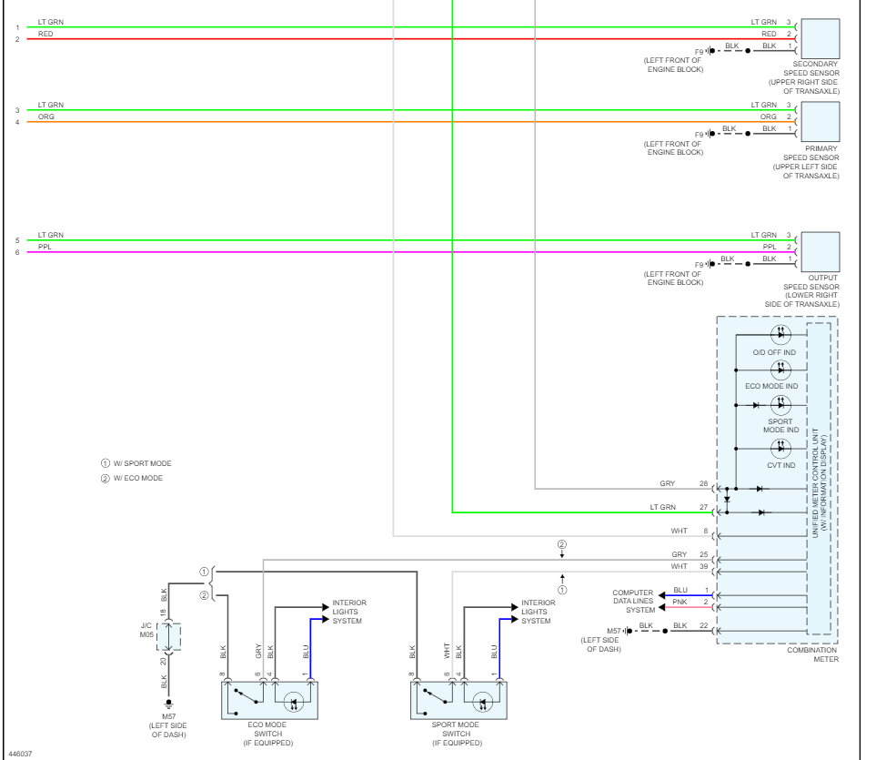
P0890-TCM POWER RELAY SENSE CIRCUIT LOW,
P0744-TORQUE CONVERTER CLUTCH INTERMITTENT,
P0603:ECM KEEP ALIVE MEMORY(BACK UP CIRCUIT),
U0100:LOST COMMUNICATION WITH ECM/PCM A,
P0868:FLUID PRESSURE LOW
How do I troubleshoot these and where's TCM relay located?
Monday, July 31st, 2023 AT 12:42 PM







