Actually just have P1585 code

Tiny
CTORRES
  • MEMBER
  • 2016 TOYOTA COROLLA
  • 1.8L
  • 4 CYL
  • 2WD
  • AUTOMATIC
  • 12,700 MILES
I don’t have dashboard warning lights but my transmission is not working. When I Put P to D or R it is hard to move, my mechanic used a scan tool but doesn’t have code. I would like to star the troubleshooting 1 wiring diagram or 2 transmission module. By the way a part of engine was under water. Greetings from Panama city. Actually just have P1585 code. I don t have idea if this code works with me problem transmission. Thanks.
Sunday, August 30th, 2020 AT 3:49 PM

6 Replies

Tiny
JACOBANDNICKOLAS
  • MECHANIC
  • 110,176 POSTS
Hi,

the code indicates an issue with the transmission (cvt) and the acceleration sensor circuit. i realize you did scan the computer, but in this case, you should scan the entire can bus system. can stands for computer area network. i have a feeling that is where the problem will be found. here is a video showing how this is done:

https://youtu.be/inilnsjovfa

now, i do have the diagnostics for the code. i will include them here.

2016 toyota corolla l4-1.8l (2zr-fae)
k313 continuously variable transaxle system (cvt) [08/2013 - 08/2016]
vehicle all diagnostic trouble codes ( dtc ) testing and inspection p code charts p1585 k313 continuously variable transaxle system (cvt) [08/2013 - 08/2016]
p1585; acceleration sensor circuit; 2014 - 2016 my corolla [08/2013 - 08/2016]
dtc p1585 acceleration sensor circuit

description
the ecm determines the vehicle inclination based on a signal from the airbag sensor assembly (yaw rate and acceleration sensor). if a malfunction in the airbag sensor assembly (yaw rate and acceleration sensor) is determined based on a malfunction signal from the brake actuator assembly (skid control ecu), the ecm cancels neutral control as a fail-safe function.

hint: the airbag sensor assembly (yaw rate and acceleration sensor) signal is sent to the brake actuator assembly (skid control ecu) via can communication.
if can communication dtcs are output, perform troubleshooting for those dtcs first.

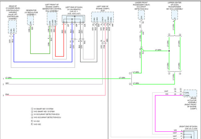
see pic 1 and 2. i overlapped them so you could follow the procedure.

wiring diagram

caution / notice / hint
notice:

perform the universal trip to clear permanent dtcs.

click here k313 (cvt): continuously variable transaxle system: dtc check / clear

procedure
1. check dtc output
connect the techstream to the dlc3.
turn the ignition switch to on.
turn the techstream on.
check for dtcs.
powertrain / engine and ect / trouble codes
result:

b -- go to can communication system networking: can communication system(w/o central gateway ecu / diagnosis system / networking: can communication system(w/o central gateway ecu) diagnosis system networking: can communication system (w/o central gateway ecu) diagnosis system

2. read value using techstream (g sensor)
connect the techstream to the dlc3.
turn the ignition switch to on.
turn the techstream on.
enter the following menus: powertrain / engine and ect / data list / primary.
in accordance with the display on the techstream, read the data list.

powertrain / engine and ect / data list

tester display
g sensor

3. replace airbag sensor assembly
replace the airbag sensor assembly (yaw rate and acceleration sensor).

click here [ supplemental restraint systems: center airbag sensor assembly: components ]
result: proceed to next

4. perform initialization
notice:

performing reset memory will clear the learned value of the yaw rate and acceleration sensor (deceleration sensor zero point calibration) and the cvt oil pressure (cvt oil pressure calibration). make sure to perform reset memory, yaw rate and acceleration sensor zero point calibration, and cvt oil pressure calibration when replacing any of the parts shown in the following table:

after performing reset memory, always perform yaw rate and acceleration sensor (deceleration sensor zero point) calibration first, and then cvt oil pressure calibration.
always perform calibration with the vehicle on level ground.
do not shake or vibrate the vehicle during calibration.
using the techstream, perform reset memory, deceleration sensor zero point calibration and cvt oil pressure calibration.

click here [ k313 (cvt): continuously variable transaxle system: initialization ]
check for dtcs again.

click here [ k313 (cvt): continuously variable transaxle system: dtc check / clear ]
result:

check out the diagrams (below). let us know what happens and please upload pictures or videos of the problem.
Was this
answer
helpful?
Yes
No
+6
Sunday, August 30th, 2020 AT 8:41 PM
Tiny
CTORRES
  • MEMBER
  • 67 POSTS
Morning Joe, I was reading carefully your indication and it’s a big trouble shooting. I have other information and think is part of the transmission problem, on my dashboard have to an airbag light. I think need to replace first airbag sensor assembly. Do you have some test to verify if the airbag sensor assembly works before to buy a new one? Thanks.
Was this
answer
helpful?
Yes
No
+2
Monday, August 31st, 2020 AT 8:31 AM
Tiny
CTORRES
  • MEMBER
  • 67 POSTS
Morning Joe, honestly in my country is very expensive use a scan TECHSTREM. I was watching On the Web and it’s possible diagnose a CAN network just using a multi-meter to perform a voltage test and resistance test since OBD II connector. It’s possible do you have a block diagram of how a CAN bus works. Thanks. CTORRES.
Was this
answer
helpful?
Yes
No
+1
Tuesday, September 1st, 2020 AT 8:46 AM
Tiny
JACOBANDNICKOLAS
  • MECHANIC
  • 110,176 POSTS
Hi,

I attached the schematics for the computer data line schematics for you. Let me know if that is what you needed.

Joe
Was this
answer
helpful?
Yes
No
+5
Tuesday, September 1st, 2020 AT 6:41 PM
Tiny
CTORRES
  • MEMBER
  • 67 POSTS
Hi Joe, after 2 days working on it I found a man and he scna the SRS but it’s impossible communication between scan tool and SRS module, he scan too a BCM and we found 2 codes. C1203 and C1336.
After that I removed the SRS module and found corrosion on some pins. (Green color).
I’ll continue following your instructions Step by step. I appreciate your time and experience, take care. CTORRES.
By the way, the schematics you send to my are amazing but it’s no very clear. Can you send to my again please?
Was this
answer
helpful?
Yes
No
+1
Friday, September 4th, 2020 AT 7:17 AM
Tiny
JACOBANDNICKOLAS
  • MECHANIC
  • 110,176 POSTS
Hi,

No problem. I enlarged the schematics and then cut them in half to make them more readable. I did overlap them so you could follow from one to the next.

Let me know if this helps.

Joe
Was this
answer
helpful?
Yes
No
+8
Friday, September 4th, 2020 AT 8:28 PM

Please login or register to post a reply.