Saturday, July 15th, 2023 AT 12:33 AM
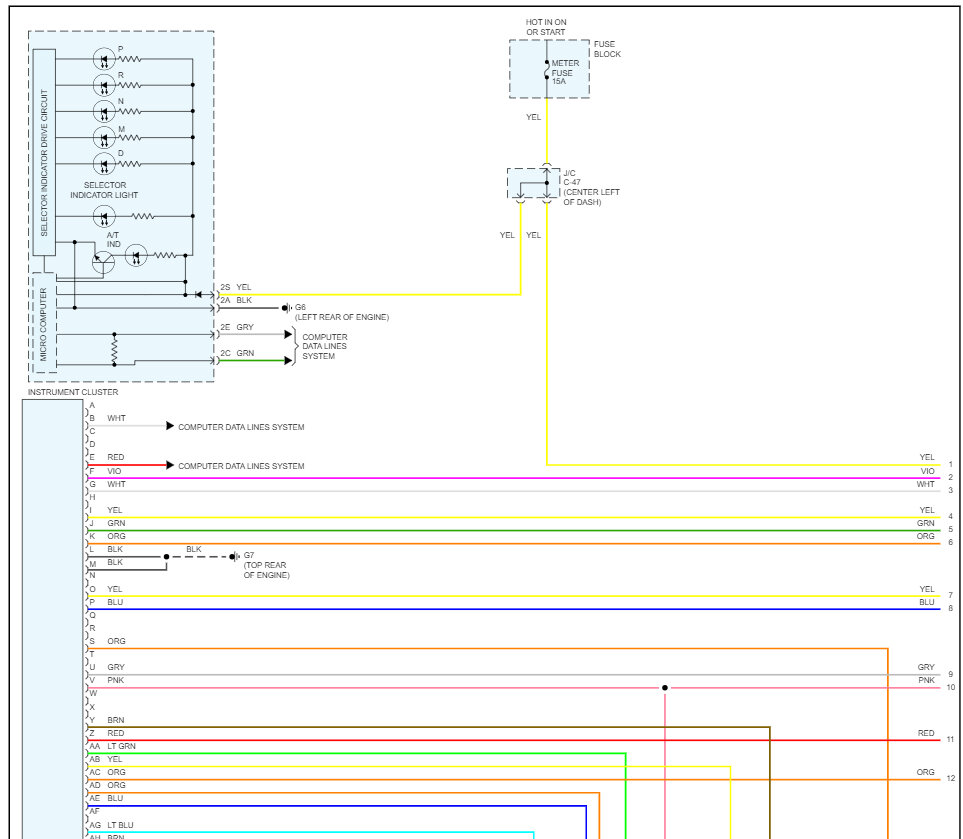
I need the wiring schematics for the PCM going to the TCM going to the shift solenoids. I'm chasing a short and can't find the wiring schematics.






