Thursday, December 20th, 2007 AT 10:37 PM
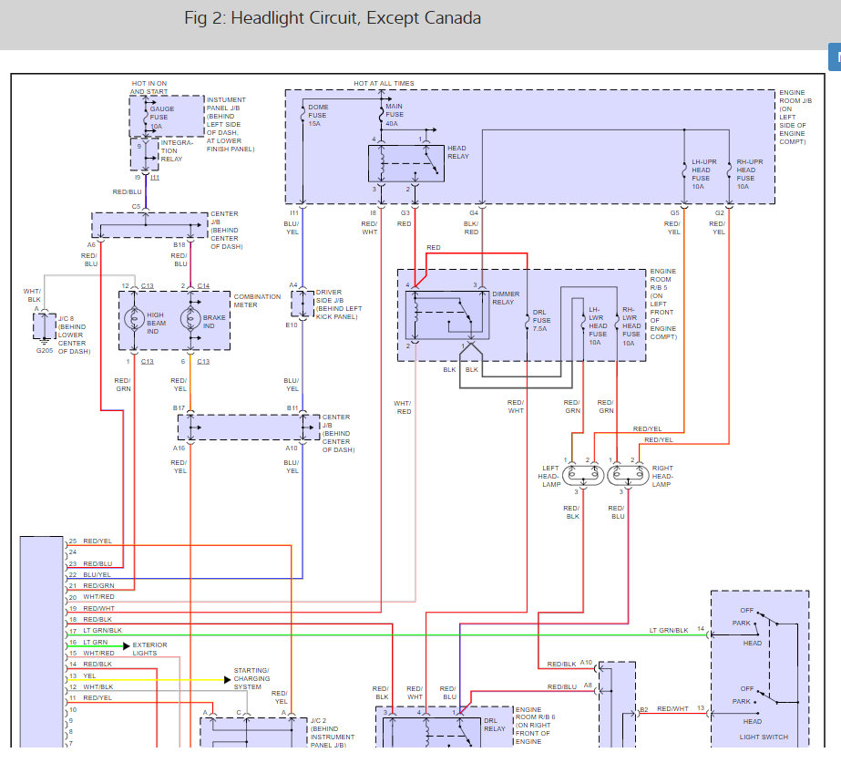
Running headlights turn on during day instead of night. Manual headlight switch will turn on but turn of after running. Fuses fine.






