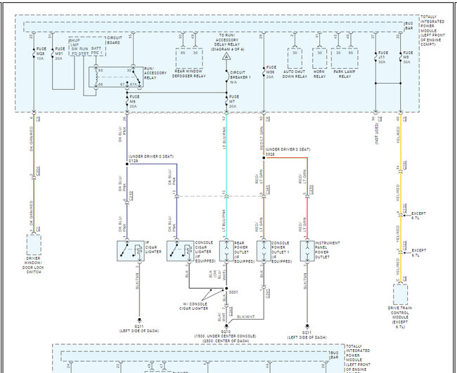
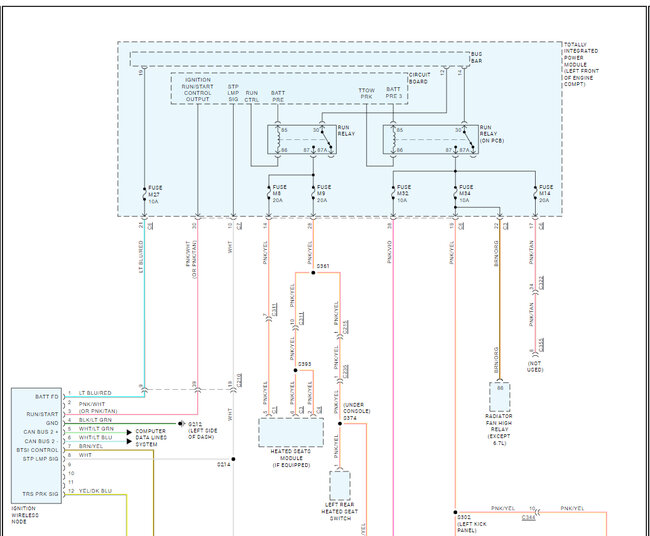
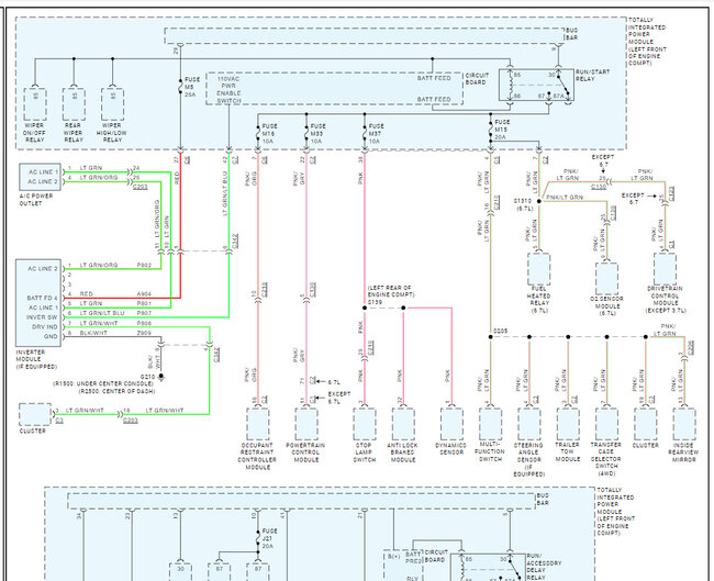
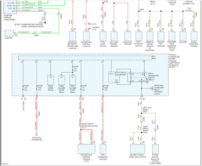
I am from Poland and just bought an imported Ram 1500 5.7 HEMI 2012yr. Well, I have to make some changes in exterior lighting due to our regulations. One thing is to install rear fog lamp. I found in the TIPM configuration menu this:
Configuration of #10(F12) output -rear fog lamp: enable.
I just cannot identify which pin is #10(F12) to connect my fog lamp to it.
The second question is if there should be a possibility to set bulb type to LED in the TIPM configuration menu as it is possible in 2013+ models? To tell the truth I can't find those settings for now and I am wondering if it is a problem of my OBD interface/hardware or my car doesn't give that possibility.
I will be very grateful for any answer.
Thursday, October 10th, 2024 AT 3:42 AM







