Monday, August 9th, 2021 AT 9:23 PM
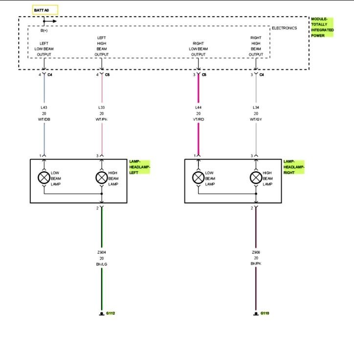
I believe the TIPM to be bad can I put a used one in my car if the numbers match identically? And can I do a hard reset instead of going to the dealership and paying them to rescan and program my vin# to the different TIPM? Thanks. JC
