Thursday, February 15th, 2024 AT 3:16 PM
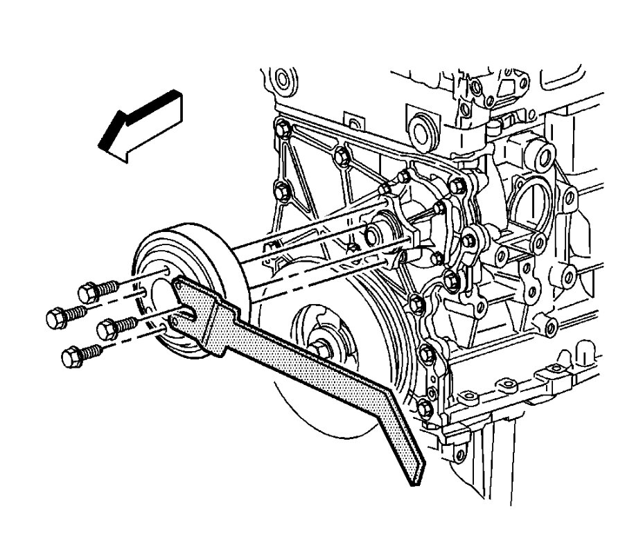
I have the vehicle listed above and seen a video that you had a pipe wrench to hold in place to take off plastic fan. What size is the pipe wrench you used to hold the pully and where do you put the pipe wrench to hold it in place. Also, what size of wrenches do you need to take off bolts? Would it be a 10" and 13' wrench for the water pump. Thank you for any information.





