Wednesday, March 24th, 2021 AT 5:53 PM
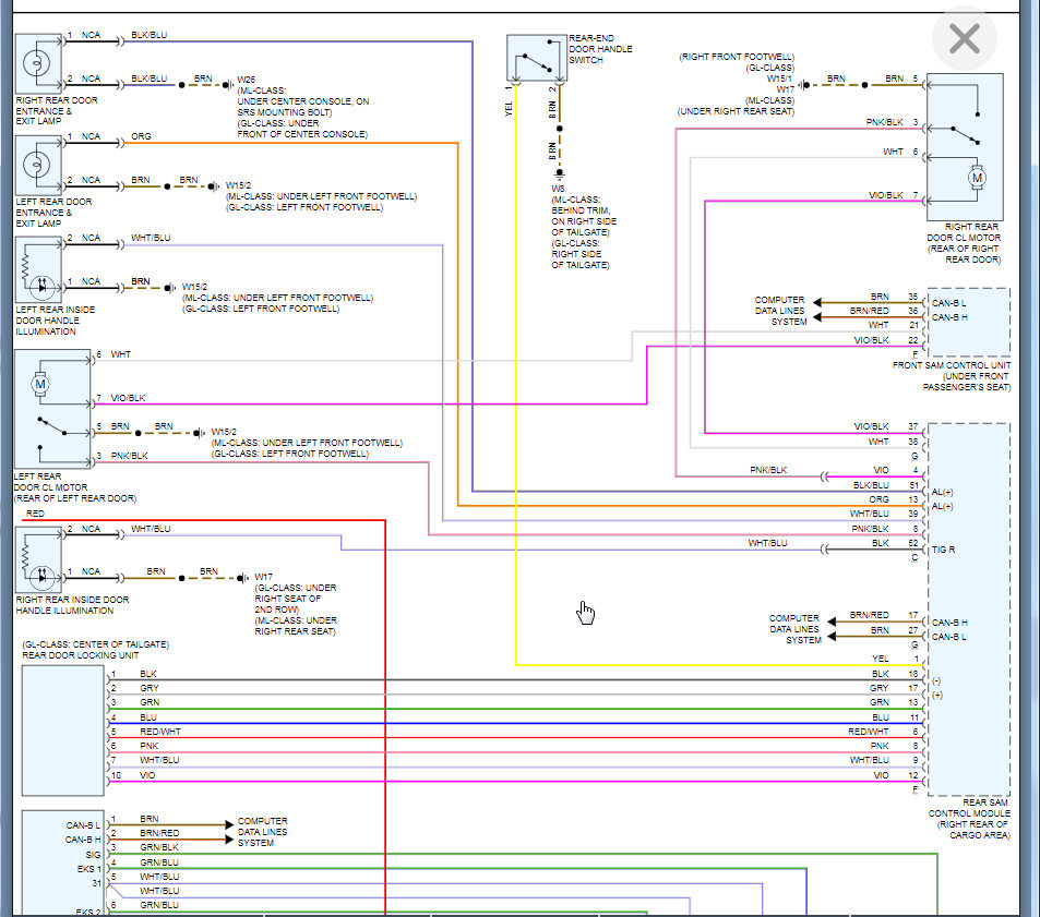
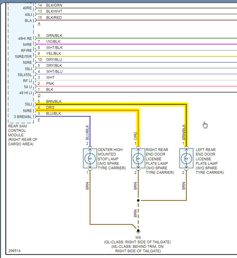
Rear SAM had corrosion issues. It was "fixed" - cleaned up. For the most part seems to be working fine but had a battery drain issue - draining overnight. Determined to be F connector on rear SAM, a relay inside kept clicking on and off every 30 seconds. Disconnecting connector F resolved the relay click and battery drain. Ultimately found to be the tailgate latch to be the cause. A new latch was installed and battery drain resolved. However, the latch does not "pull in" and lock properly. Also, license plate lights are out (bulbs are fine, wiring is fine). The wiring was checked at the hinge and everything is good. I suspect SAM internal fault. Looking for either advice or wiring diagram for rear SAM pinout to test output signals to latch and license plate lights.













