Wednesday, August 28th, 2019 AT 10:16 PM
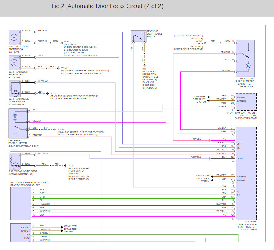
I can use my key-less remote to lock the back tailgate. But if I press the tailgate button, I could hear it latched and then released. If I manually close it, it does close but will not latch.



















