Tail light wiring diagrams

2001 BUICK CENTURY
124,335 MILES • 3.1L • 6 CYL • 2WD • AUTOMATIC
Avatar
JAMES GLASPELL II
  • MEMBER
  • 3 POSTS
Okay, so my daytime driving lights were not working, it was a 20 amp fuse. I changed the 20 amp fuse. I'm driving down the road and see smoke pouring out of the back of my vehicle I run back to open the trunk and the wiring to my taillights on the trunk are on fire. not 100% sure what the problem could be, I figured probably bad ground. but if anyone has any suggestions or any way to fix this problem please help.
Feb 11, 2020 at 10:46 AM
Repair Safety Notice: This information is for general instructional purposes only. Vehicle repair can be dangerous. Verify all information, follow manufacturer service procedures, use proper tools and safety equipment, and consult a qualified repair shop when needed.
Advertisement
Avatar
SCGRANTURISMO
  • CAR REPAIR CONTRIBUTOR
  • 4,897 POSTS
Hello,

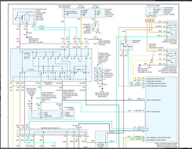
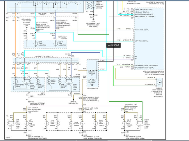
This happened because you have a short circuit in your wiring and you are using too big of a fuse. The fuses that go to the taillights is a 10 Amp, hazard 15 Amp, and stoplight 15 Amp. The park lamps does use a 20 Amp fuse. In the diagrams down below I have included an external lamp wiring diagram for you as well as the location, layout with callout, and circuit number pinout diagrams for the Instrument Panel[I/P] and under hood fuse boxes. Please check all the fuse ratings and make sure they are all correct and get back to us with what you find out.

Thanks,
Alex
2CarPros
Feb 11, 2020 at 11:30 AM
Advertisement
Avatar
JAMES GLASPELL II
  • MEMBER
  • 3 POSTS
I found the problem. I just had not been down to check it out yet was dark when I got home from work and was pretty tired just didn't know if anybody had any suggestions. I hadn't thought of but it broke right where the trunk shuts and it burnt clear to the connector to the passenger side taillight. so going to get busy wiring and replacing. thank you very much and thank you so much for the diagrams of the wiring. I really appreciate that. I could not find any anywhere online. but thank you so much for your help in the quick response. If I run into a problem again I'll most definitely ask. have a blessed day.
Feb 11, 2020 at 12:06 PM
Avatar
JAMES GLASPELL II
  • MEMBER
  • 3 POSTS
Alex would you happen to have the taillight wiring diagram? still popping a fuse want to make sure I got it right. thanks
Feb 11, 2020 at 7:11 PM
Avatar
SCGRANTURISMO
  • CAR REPAIR CONTRIBUTOR
  • 4,897 POSTS
Hello again,

Yes, I sent it to you in an earlier reply, but here is the wiring diagram again, just in case. The fuse is blowing because you have a short to ground in the circuit, before the load, that the fuse is protecting. This happens because of Ohm's law, which is the law that governs electricity. One of Ohm's laws states that if one of the three properties of electricity is constant[Voltage - Battery Voltage] and then one of the remaining two goes down[Resistance = With a short to ground before the load in a circuit resistance drops to zero as there is now a direct path back to the battery's negative terminal] then the last property must go up proportionally[Amperage - Amperage/Current goes to amperage rating of the battery]. The amperage immediately exceeds the fuses amperage rating and "Pop", the fuse blows, creating an open in the circuit, stopping the electrical flow and protecting the circuit and the load[or component] that the circuit was designed to run. I have also included a guide on how to find short to grounds for you as well. Please get back to us with what you find out.

Thanks,
Alex
2CarPros
Feb 14, 2020 at 8:07 AM