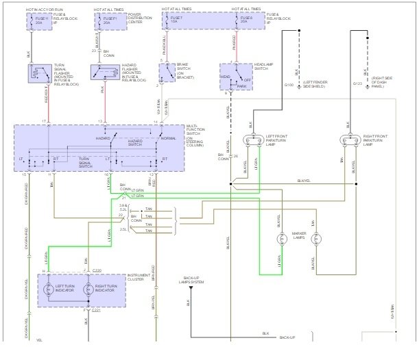
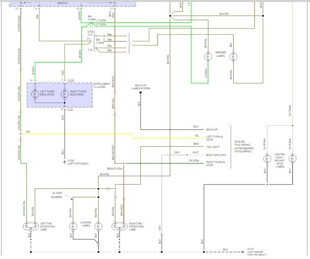
Sunday, July 3rd, 2016 AT 11:32 AM
My taillights only work when pulled part way out before it clicks into position, but not after. I need to know what wire from the plug is power for the taillights so I can temporarily wire then to a toggle switch.


