Tuesday, December 12th, 2023 AT 6:10 PM
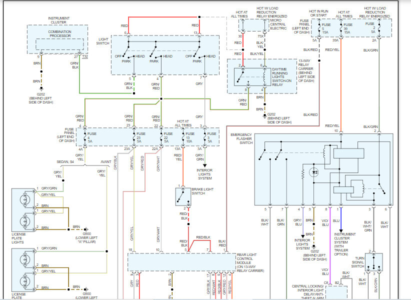
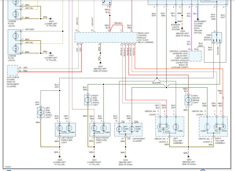
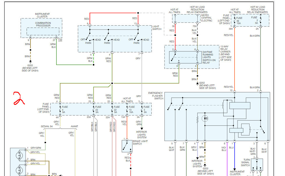
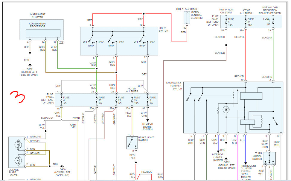
Okay, so my passenger rear taillight doesn't work brake light works. I get voltage to all my wires except for one wire. So, I was just curious what the wiring diagram/pin out is for my taillights, brake lights, blinkers, reverse lights, etc etc. Thank you








