Thursday, October 21st, 2021 AT 1:45 PM
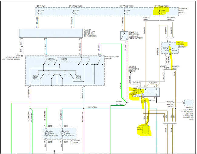
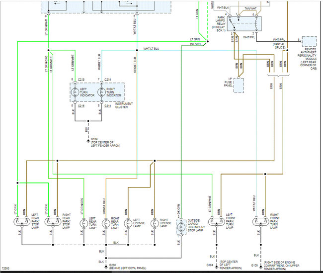
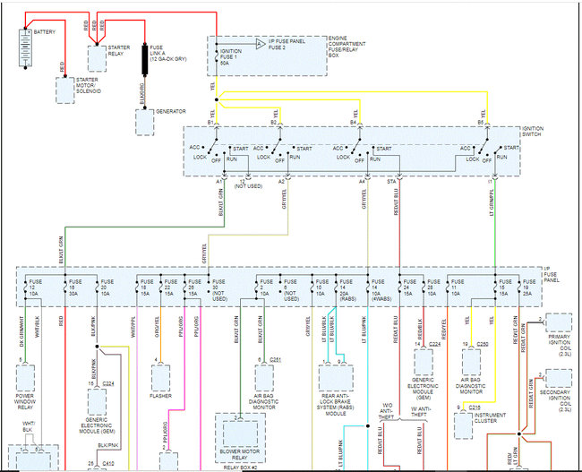
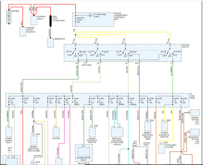
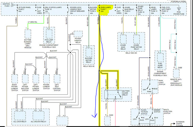
Just recently my tail and dash lights stopped working. I have checked all the fuses, both sets, and nothing is blown or out. I am at a loss as of what it could be. I need the truck lights in ASAP due to this being my work truck and I drive before the sun comes up. Please help and thank you for your time.










