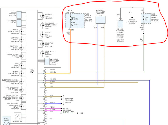
Monday, May 11th, 2020 AT 8:13 PM
Bought the car and the tachometer didn't work. Last owner said it didn't work while he had it. Could it be a blown fuse causing this or something a little more serious?


