I need to know what color the switched on ignition wire is?

1987 CHRYSLER CONQUEST
58,000 MILES • 2.6L • 4 CYL • TURBO • 2WD • MANUAL
Avatar
JHILL77
  • MEMBER
  • 5 POSTS
I need to know what color the switched on ignition wire is?
Sep 30, 2022 at 8:25 PM
Advertisement
Avatar
STRAILER
  • CERTIFIED EXPERT
  • 53,855 POSTS
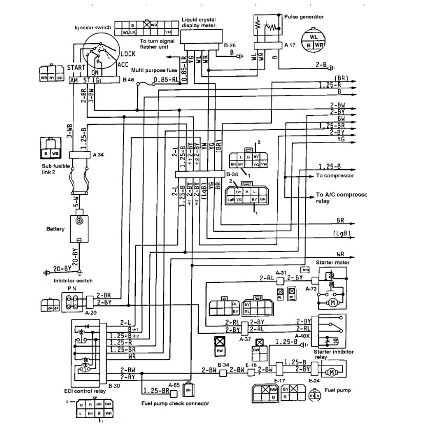
Here are the ignition switch wiring diagrams as you requested. Check out the images (below). Please let us know if you need anything else to get the problem fixed.
Oct 1, 2022 at 9:25 AM
Avatar
JHILL77
  • MEMBER
  • 5 POSTS
Thank you. Black with white stripe.
Oct 1, 2022 at 9:28 AM
Advertisement
Avatar
STRAILER
  • CERTIFIED EXPERT
  • 53,855 POSTS
Nice work, we are here to help, please use 2CarPros anytime.
Oct 1, 2022 at 12:32 PM