Saturday, July 1st, 2017 AT 6:25 AM
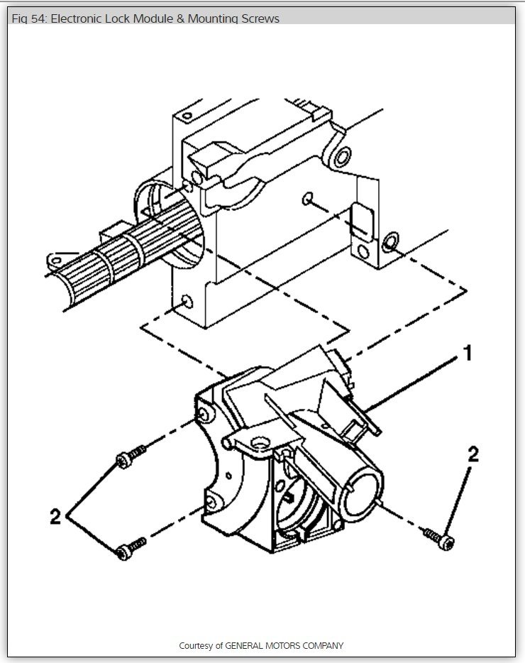
I am trying to replace the steering wheel speed sensor. I have removed the bolt that holds the upper and lower portions of the steering column. However, I can only push the lower portion of the steering column down about a half an inch. I have tried to wiggle it down and apply muscle but have not had any success. Any guidance or tips would be much appreciated on how to completely separate the lower and upper portions of the steering column so that I can change out the steering wheel speed sensor. It is called the "steering wheel speed sensor" or the "sensor assembly, steering wheel speed". I believe the picture you provided is only a partial one. If you look at the full image toward the bottom, you should see the steering wheel speed sensor identified. I am not an expert but I believe the lower portion of the steering shaft assembly I need to move might be called the "intermediate steering shaft". Thank you.




