Tuesday, April 23rd, 2024 AT 7:32 PM
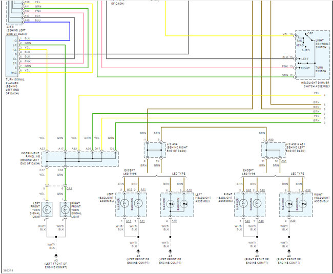
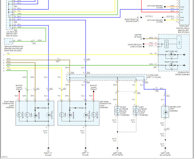
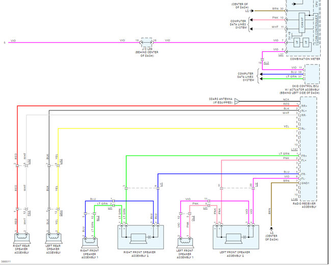
I have a friend who has the vehicle listed above. Their ex slashed all the tires and cut the wiring underneath the steering wheel. I've found all the connectors for everything but there are several wires of the same color going to different connectors. I'm hoping somebody could help me out with a wiring schematic of the part of the harness going to the steering wheel and hopefully pinouts of the plugs going to it.














