Thursday, December 28th, 2023 AT 6:57 PM
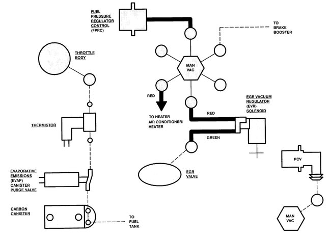
My truck has been sitting for 4 years, I recently changed fuel pump, water pump, thermostat, spark plugs, timing belt and a couple of other parts. It starts but won't stay running. Has a couple of vacuum hoses off but I'm not sure where they go and need a diagram, please.




