Tuesday, September 6th, 2022 AT 11:40 AM
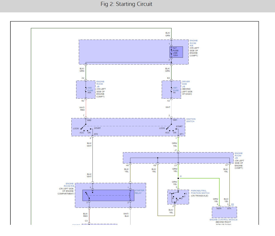
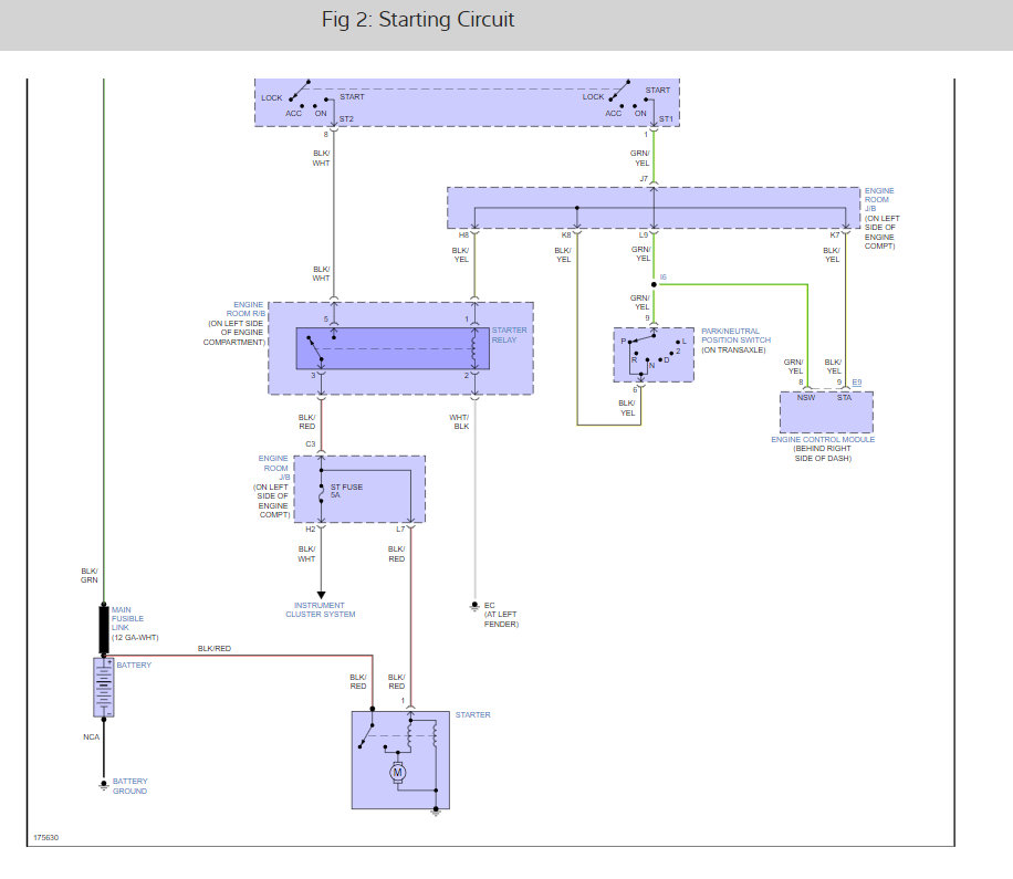
Had a bad starter replaced it but I tried to take off the relay and broke the top casing. Now the car cranks but doesn't start. I bypassed relay now cranks and no start. Also check engine light does not come on and windows doesn't work. Did I ruin my relay and is it multi-functional?





