Sunday, February 5th, 2017 AT 11:34 PM
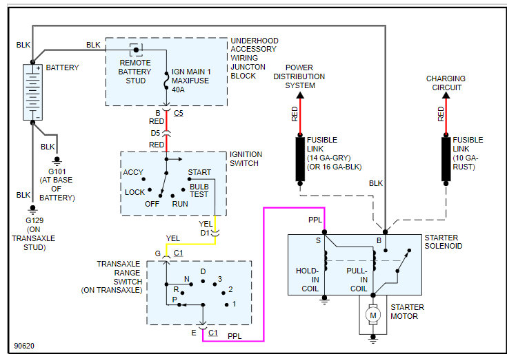
My cars starter sometimes (seems to be getting worse) will not work when trying to start the car. It is a new starter and the car has a new battery. When the starter will not work all. I have to do is use a jack and jack up the front of the car on the drivers side just a little bit and then try to start the car again and the starter will work and crank the car every time by doing this. Then once the car cranks I can let the jack down and put it back in the trunk and drive any where I want to go with out any problems as long as I do not turn the car off. When I do turn the car off it sometimes will crank without a problem (however when it cranks on its own I sometimes do hear a grinding noise right after it cranks coming from the starter and flywheel area), but usually I have to jack up the front drivers side every time I cut the car off, to get the starter to work and crank the car back up. Thank you.


