Saturday, April 9th, 2022 AT 3:18 PM
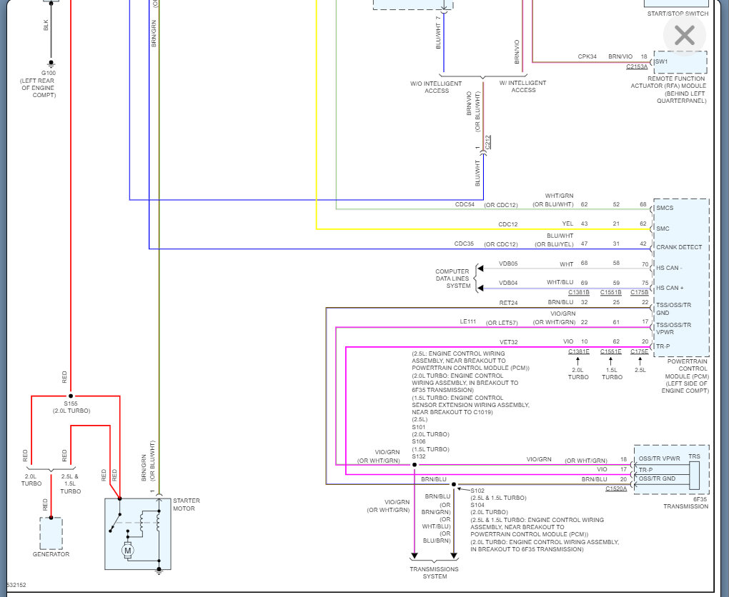
I replaced the starter motor once but didn't get the wires to the solenoid tight and when it cranked there was a spark, but the car started. The next day I tried to tighten the wires and was told the starter got burnt up. Replaced it again and now it won't crank at all, even if I try to jump it off.




