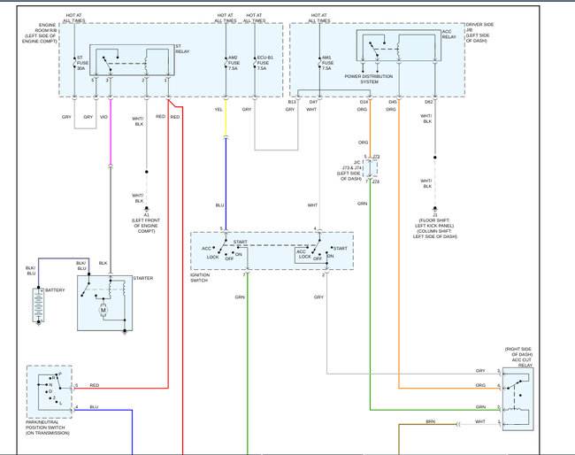
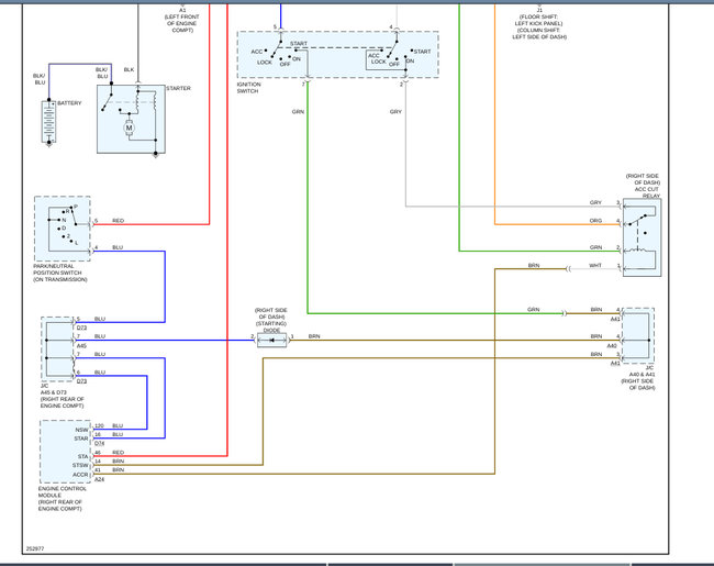
Tuesday, March 3rd, 2020 AT 7:01 AM
I recently replaced my battery. Truck ran fine all day yesterday until I got in my truck last night and it would not turn over. This morning I checked all of the fuses and relays switching some out without any luck. The battery terminals are fine. Any ideas?



