Sunday, June 18th, 2023 AT 10:24 AM
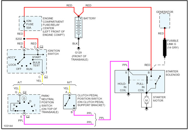
I had to replace the starter and the battery at the same time. The new starter is wired in the same as the old one (which worked but was worn out). 5 wires, btw. Now, when I turn on the key, all the proper idiot lights come on, but when I turn the switch to the start position, nothing happens. Not even a click. There is no starter relay on this car, only a 50-amp fuse, which is good. I’m puzzled as to what it could be. Please help.




